Оглавление: Электрическая схема системы впрыска…⇓ Электрическая схема системы впрыска…⇓ Электрическая схема системы впрыска…⇓
Электрическая схема системы впрыска топлива Alfa Romeo 33 16V

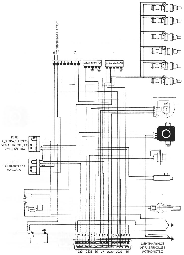
Электрическая схема системы впрыска топлива Alfa Romeo 75 Twin Spark, Alfa Romeo 164 Twin Spark

Электрическая схема системы впрыска топлива Alfa Romeo 164 3.0

