MazBook.ru
Русский English
Български
Беларускі
Український
Српски
Hrvatski
Română
Polski
Slovenský
Magyar
• В закладки • Карта • Контакты •   
Автомобили Opel Автомобили Ford Автомобили Volkswagen Автомобили Audi Автомобили Kia Автомобили Renault Автомобили Peugeot
 
 
 
 
 
 
 
Familia Capella Mazda3 Mazda6 CX-? Прочие Статьи
CX-5 KE (2012-2017)

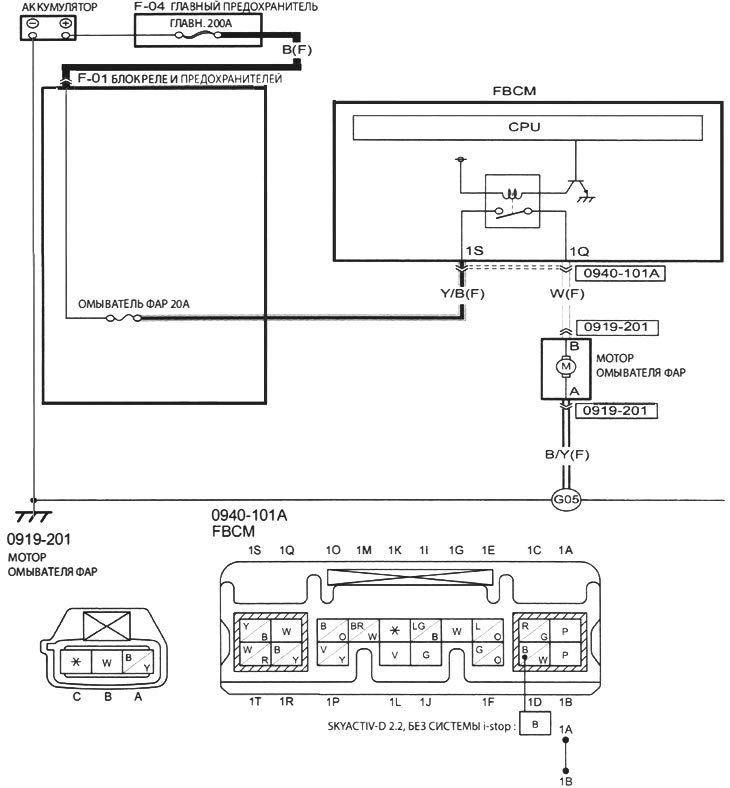
Схема омывателей фар (Mazda CX-5 KE)

  • Главная
  • Мазда Ц ИКС
  • CX 5 KE (2012-2017)
  • Электрооборудование
  • Электрические схемы
  • Схема омывателей фар
0

Схема омывателей фар



Схема омывателей фар


Как читать электрические схемы вы можете узнать здесь →
Эта статья доступна на: английском, болгарском, белорусском, украинском, сербском, хорватском, румынском, польском, словацком, венгерском
Этот текст был проверен: Евгений Мерешников
Поделиться с друзьями в социальных сетях:

Предыдущие
CX-5 KE » Электрические схемы
Следующие

Схема стеклоочистителей и омывателей
Система управления дальним светом фар (НВС)
Схема освещения салона
Схема стоп-сигналов
Схема фонарей заднего хода
Электрическая схема розеток
Схема комбинации приборов
Схема звукового сигнала
Управление кузовными системами
Еще статьи по ремонту других моделей Мазда
D. Схема включения очистителей и омывателей ветрового и заднего… Мазда Фамилия 5 (1985-1989)
Схема 1: Система запуска и зарядки (до 1985 года) Мазда Капелла 3 (1982-1992, бензин)
Проверка уровня жидкости омывателей стекол и фар Мазда3 BK (2003-2009)
Проверка уровня жидкости омывателей стекол и фар Мазда6 GG (2002-2008)
Схема 1. Двигатель Endura-E Mazda 121 (3) (1996-2003)
Ссылка в разных форматах на эту статью
Комментарии и отзывы посетителей
Комментариев пока нет


Сколько будет 37 + 35 ?

       





CX-5 KE (2012-2017) 
  • Общая информация
  • Введение в руководство
  • Руководство по эксплуатации
  • Техническое обслуживание
  • Силовой агрегат
  • Бензиновые двигатели 2.0 л
  • Бензиновые двигатели 2.5 л
  • Дизельные двигатели 2.2 л
  • Система охлаждения
  • Система смазки
  • Система питания
  • Система управления
  • Система впуска и выпуска
  • Электрооборудование двигателя
  • Трансмиссия
  • Сцепление
  • Механическая коробка
  • Автоматическая коробка
  • Раздаточная коробка
  • Приводные валы и кардан
  • Шасси
  • Колеса и шины
  • Передняя подвеска
  • Задняя подвеска
  • Тормозная система
  • Рулевое управление
  • Кузов
  • Экстерьер (внешние элементы)
  • Интерьер (внутренние элементы)
  • Системы безопасности
  • Отопление и кондиционирование
  • Электрооборудование
  • Оборудование и приборы
  • Электрические схемы
Автомобильный анекдот
давайте следующий
MazBook.ru © 2018–2026 · Мобильная версия · Статьи и новости · Карта сайта: EN BG BY UA RS HR RO PL SK HU · Обратная связь · Поиск по сайту · Добавить в закладки Фамилия 5 (BF) · Фамилия 6 (BG) · Капелла 3 (GC) · Капелла 3 и 4 (GC) · Капелла 5 (GE) · Капелла 6 (GF) · Мазда3 BK · Мазда6 GG · CX-5 KE · Mazda 121 (3) · Mazda BT-50 (1) · Автомобильные новости · Справочник автомеханика · Техобслуживание иномарок · Системы впрыска топлива · Установка автосигнализаций