2. Для того чтобы снять петли крепления капота необходимо снять следующие детали:
- решетку радиатора;
- передний бампер (см. раздел "Передний бампер");
- блок-фары (см. главу "Электрооборудование кузова");
- повторители указателей поворотов (см. главу "Электрооборудование кузова");
- (модификации) накладку переднего крыла.
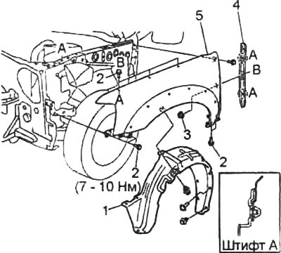
3. При снятии переднего крыла руководствуйтесь сборочным рисунком "Переднее крыло".
Переднее крыло.
1 - подкрылок,
2 - болт,
3 - гайка,
4 - установочная пластина,
5 - переднее крыло.
- Момент затяжки — 7-10 Нм
4. Установка производится в порядке, обратном снятию.
[За основу взяты данные сайта MAZBOOK.RU]
