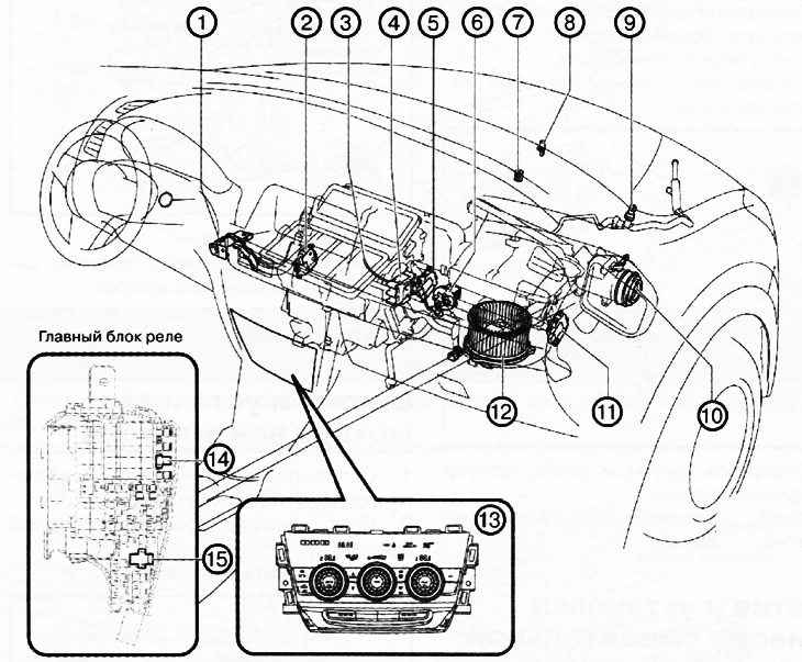
Климатическая система с автоматическим управлением:
1. Датчик температуры пассажирского салона.
2. Привод смесительной заслонки со стороны водителя.
3. Датчик температуры испарителя.
4. Привод заслонки выбора режимов.
5. Привод смесительной заслонки со стороны пассажира.
6. Силовой транзистор с автоэлектронным эффектом на полупроводниках.
7. Солнечный датчик.
8. Датчик температуры окружающей среды.
9. Датчик давления хладагента.
10. Электромагнитная муфта.
11. Привод заборной заслонки.
12. Мотор вентиляции.
13. Блок управления климатической установкой.
14. Реле кондиционера.
15. Реле вентилятора.
Климатическая система с ручным управлением:
1. Датчик температуры испарителя.
2. Резистор.
3. Датчик температуры окружающей среды.
4. Датчик давления хладагента.
5. Электромагнитная муфта.
6. Привод заборной заслонки.
7. Мотор вентилятора.
8. Блок управления климатической установкой.
9. Реле кондиционера.
10. Реле вентилятора.
