MazBook.ru
Русский English
Български
Беларускі
Український
Српски
Hrvatski
Română
Polski
Slovenský
Magyar
• В закладки • Карта • Контакты •   
Автомобили Opel Автомобили Ford Автомобили Volkswagen Автомобили Audi Автомобили Kia Автомобили Renault Автомобили Peugeot
 
 
 
 
 
 
 
Familia Capella Mazda3 Mazda6 CX-? Прочие Статьи
Mazda 121 (3) (1996-2003) Mazda BT-50 (1) (2006-2011)

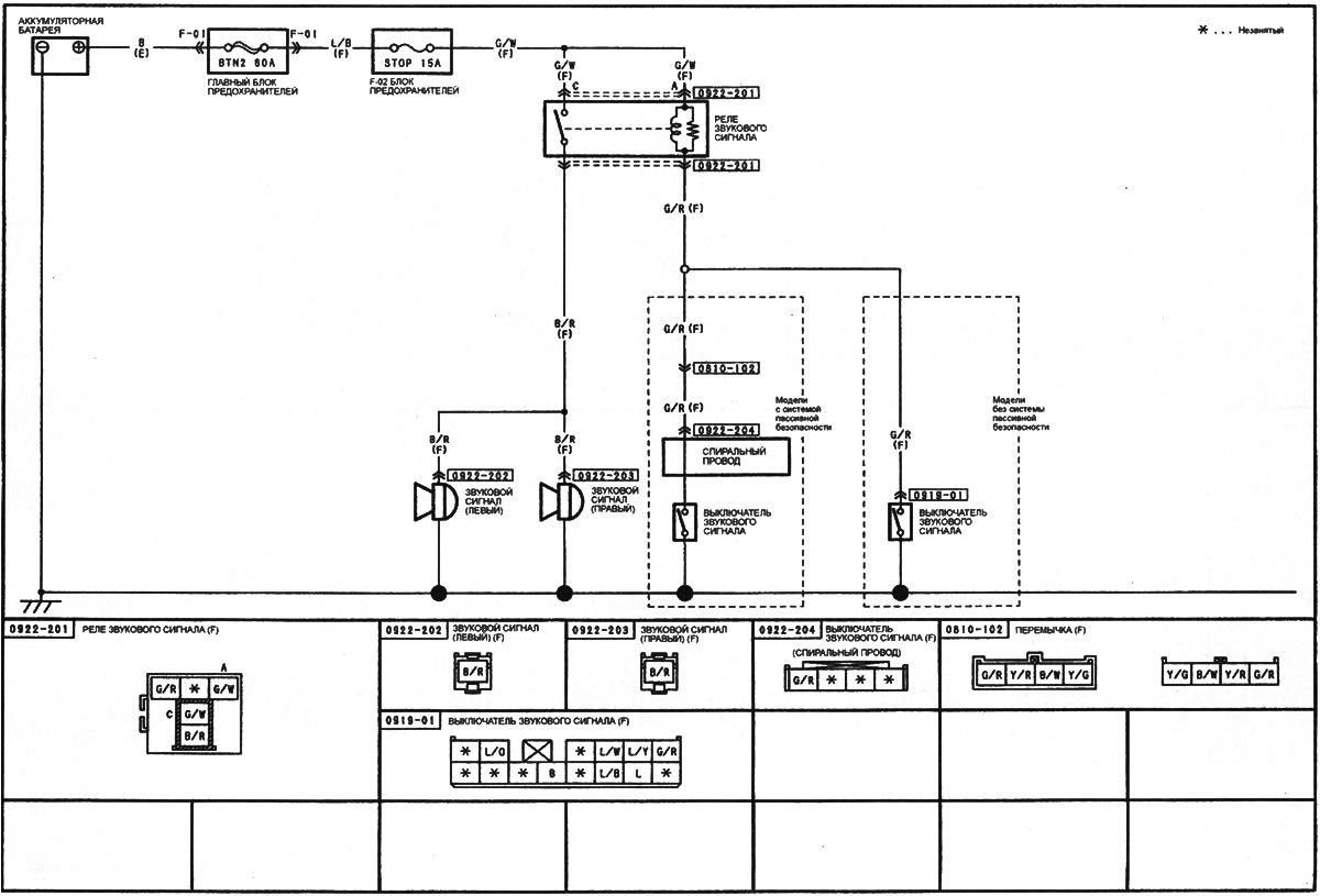
Схема 30. Звуковой сигнал (Mazda BT-50 (1))

  • Главная
  • Мазда
  • BT-50 J97M (2006-2011)
  • Электрооборудование
  • Электрические схемы
  • Схема 30. Звуковой сигнал
0

Звуковой сигнал



Звуковой сигнал
Открыть большую картинку в новой вкладке »


(За основу взяты данные сайта: mazbook)
Эта статья доступна на: английском, болгарском, белорусском, украинском, сербском, хорватском, румынском, польском, словацком, венгерском
Этот текст был проверен: Владимир Баженов
Поделиться с друзьями в социальных сетях:

Предыдущие
Mazda BT-50 (1) » Электрические схемы
Следующие

Схема 29. Комбинация приборов
Схема 28. Разъем для подключения дополнительного…
Схема 27. Стеклоочистители и омыватели лобового стекла
Схема 26. Подсветка (модели с реостатом подсветки)
Схема 25. Лампа освещения салона
Блок предохранителей
Соединительные разъемы
Еще статьи по ремонту других моделей Мазда
Схема карбюратора Aisan Мазда Фамилия 5 (1985-1989)
Схема 6: Указатели поворотов, аварийная сигнализация, звуковой… Мазда Капелла 3 (1982-1992, бензин)
Условия срабатывания звуковой сигнализации (автономная сирена) Мазда3 BK (2003-2009)
Условия срабатывания звуковой сигнализации (автономная сирена) Мазда6 GG (2002-2008)
Звуковой сигнал Мазда CX-5 KE (2012-2017)
Ссылка в разных форматах на эту статью
Комментарии и отзывы посетителей
Комментариев пока нет


Сколько будет 24 + 21 ?

       



Mazda BT-50 (1) (2006-2011) 
  • Общая информация
  • Введение в руководство
  • Руководство по эксплуатации
  • Техническое обслуживание
  • Силовой агрегат
  • Ремонт двигателя (дизель)
  • Система охлаждения и смазки
  • Система впрыска топлива
  • Система впуска и выпуска
  • Электрооборудование двигателя
  • Трансмиссия
  • Сцепление
  • Механическая коробка
  • Система полного привода
  • Раздатка и редукторы
  • Шасси
  • Передняя подвеска
  • Задняя подвеска
  • Рулевое управление
  • Тормозная система
  • Кузов
  • Экстерьер (внешние элементы)
  • Интерьер (внутренние элементы)
  • Отопление и кондиционирование
  • Система безопасности SRS
  • Электрооборудование
  • Оборудование и приборы
  • Электрические схемы
Mazda 121 (3) (1996-2003) 
  • Общая информация
  • Руководство по эксплуатации
  • Техническое обслуживание
  • Силовой агрегат
  • Бензиновый двигатель 1.3 л
  • Бензиновый двигатель 1.25/1.4 л
  • Дизельный двигатель
  • Система смазки
  • Система охлаждения
  • Система зажигания
  • Система питания
  • Впрыск топлива (бензин)
  • Впрыск топлива (дизель)
  • Выхлопная система
  • Трансмиссия
  • Сцепление
  • Коробка передач
  • Шасси
  • Передняя подвеска
  • Задняя подвеска
  • Рулевое управление
  • Тормозная система
  • Колеса и шины
  • Кузов
  • Экстерьер (внешние элементы)
  • Интерьер (внутренние элементы)
  • Двери, окна и замки
  • Система отопления
  • Электрооборудование
  • Поиск неисправностей
  • Оборудование и приборы
  • Система освещения
  • Силовые устройства
  • Электрические схемы
Автомобильный анекдот
давайте следующий
MazBook.ru © 2018–2026 · Мобильная версия · Статьи и новости · Карта сайта: EN BG BY UA RS HR RO PL SK HU · Обратная связь · Поиск по сайту · Добавить в закладки Фамилия 5 (BF) · Фамилия 6 (BG) · Капелла 3 (GC) · Капелла 3 и 4 (GC) · Капелла 4 (GD) · Капелла 5 (GE) · Капелла 6 (GF) · Мазда3 BK · Мазда6 GG · CX-5 KE · Mazda 121 (3) · Mazda BT-50 (1) · Автомобильные новости · Справочник автомеханика · Техобслуживание иномарок · Системы впрыска топлива · Установка автосигнализаций
Используя сайт дальше, вы подтверждаете согласие на использование cookies 🔐