Снятие и установка переднего троса привода стояночного тормоза
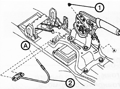
1. Регулировочная гайка.
2. Передний трос привода стояночного тормоза.
1. Снять передний консольный ящик.
2. Версии с механической трансмиссией: снять набалдашник рычага переключения передач.
3. Снять панель рычага переключения.
4. Снять верхнюю панель.
5. Снять заднюю консоль.
6. Отвернуть регулировочную гайку и снять передний трос привода стояночного тормоза.
7. Установка производится в порядке, обратном снятию.
8. После установки проверить и отрегулировать ход рычага стояночного тормоза.
Снятие и установка заднего троса привода стояночного тормоза
1. Гайки.
2. Гайка.
3. Болт.
4. Гайка.
5. Задний трос привода стояночного тормоза.
1. Снять передний консольный ящик.
2. Версии с механической трансмиссией: снять набалдашник рычага переключения передач.
3. Снять панель рычага переключения.
4. Снять верхнюю панель.
5. Снять заднюю консоль.
6. Ослабить регулировочную гайку.
7. Снять нижний защитный поддон №2.
8. Отвернуть все гайки и болты крепления заднего троса привода стояночного тормоза к днищу кузова.
9. Снять задний трос привода стояночного тормоза с переднего троса.
10. Снять задний трос привода стояночного тормоза с заднего тормозного суппорта.
11. Снять задний трос привода стояночного тормоза с автомобиля.
12. Установка производится в порядке, обратном снятию, с учетом следующего:
Установить трос привода стояночного тормоза на задний суппорт.

Убедиться в том, что планки наружного края троса привода стояночного тормоза надежно сцеплены с кронштейном.
13. После установки проверить и отрегулировать ход рычага стояночного тормоза.
