MazBook.ru
Русский English
Български
Беларускі
Український
Српски
Hrvatski
Română
Polski
Slovenský
Magyar
• В закладки • Карта • Контакты •   
Автомобили Opel Автомобили Ford Автомобили Volkswagen Автомобили Audi Автомобили Kia Автомобили Renault Автомобили Peugeot
 
 
 
 
 
 
 
Familia Capella Mazda3 Mazda6 CX-? Прочие Статьи
CX-5 KE (2012-2017)

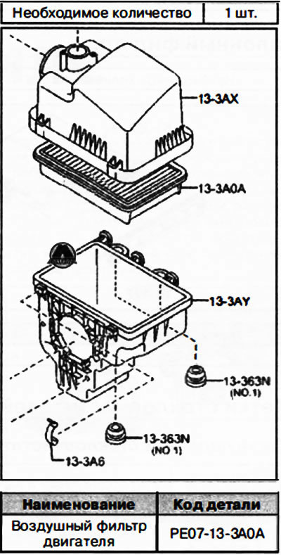
Воздушный фильтр (Mazda CX-5 KE)

  • Главная
  • Мазда Ц ИКС
  • CX 5 KE (2012-2017)
  • Общая информация
  • Техническое обслуживание
  • Воздушный фильтр
0
Воздушный фильтр

Статья скопирована с веб-сайта: mazbook.ru
Эта статья доступна на: английском, болгарском, белорусском, украинском, сербском, хорватском, румынском, польском, словацком, венгерском
Этот текст был проверен: Евгений Мерешников
Поделиться с друзьями в социальных сетях:

Предыдущие
CX-5 KE » Техническое обслуживание
Следующие

Свечи зажигания
Прокладка сливной пробки поддона двигателя
Тормозные колодки
Тормозные диски
Расходные материалы для проведения технического обслуживания
Масляный фильтр
Салонный фильтр
Топливный фильтр (дизельные двигатели)
Щетки стеклоочистителей
Охрана труда
Еще статьи по ремонту других моделей Мазда
Воздушный фильтр — снятие и установка Мазда Капелла 5 (1991-1997)
Воздушный фильтр Мазда3 BK (2003-2009)
Воздушный фильтр Мазда6 GG (2002-2008)
Моторное масло и фильтр Mazda BT-50 (1) (2006-2011)
Ссылка в разных форматах на эту статью
Комментарии и отзывы посетителей
Комментариев пока нет


Сколько будет 15 + 48 ?

       





CX-5 KE (2012-2017) 
  • Общая информация
  • Введение в руководство
  • Руководство по эксплуатации
  • Техническое обслуживание
  • Силовой агрегат
  • Бензиновые двигатели 2.0 л
  • Бензиновые двигатели 2.5 л
  • Дизельные двигатели 2.2 л
  • Система охлаждения
  • Система смазки
  • Система питания
  • Система управления
  • Система впуска и выпуска
  • Электрооборудование двигателя
  • Трансмиссия
  • Сцепление
  • Механическая коробка
  • Автоматическая коробка
  • Раздаточная коробка
  • Приводные валы и кардан
  • Шасси
  • Колеса и шины
  • Передняя подвеска
  • Задняя подвеска
  • Тормозная система
  • Рулевое управление
  • Кузов
  • Экстерьер (внешние элементы)
  • Интерьер (внутренние элементы)
  • Системы безопасности
  • Отопление и кондиционирование
  • Электрооборудование
  • Оборудование и приборы
  • Электрические схемы
Автомобильный анекдот
давайте следующий
MazBook.ru © 2018–2026 · Мобильная версия · Статьи и новости · Карта сайта: EN BG BY UA RS HR RO PL SK HU · Обратная связь · Поиск по сайту · Добавить в закладки Фамилия 5 (BF) · Фамилия 6 (BG) · Капелла 3 (GC) · Капелла 3 и 4 (GC) · Капелла 5 (GE) · Капелла 6 (GF) · Мазда3 BK · Мазда6 GG · CX-5 KE · Mazda 121 (3) · Mazda BT-50 (1) · Автомобильные новости · Справочник автомеханика · Техобслуживание иномарок · Системы впрыска топлива · Установка автосигнализаций