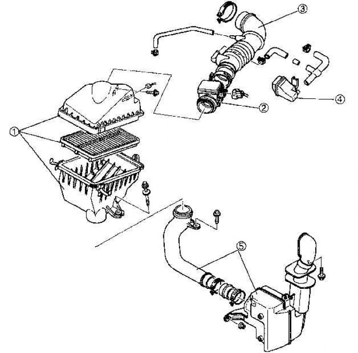
Схема воздушного фильтра
1. Воздушный фильтр; 2. Датчик потока воздуха; 3. Воздухозаборный патрубок; 4. Резонатор; 5. Шланг подачи свежего воздуха
Снятие и установка

1. Сожмите язычки разъема подключения датчика потока воздуха и отсоедините его.

2. Снимите хомут и отсоедините шланг от крышки клапанного механизма.

3. Ослабьте хомут и отсоедините воздухозаборный патрубок.

4. Отсоедините шланг забора воздуха от резонатора.

5. Отсоедините тонкий воздушный шланг от резонатора.
(Статья скопирована с веб-сайта www.MazBook.ru)

6. Ослабьте крепежный хомут и снимите резонатор.

7. Открутите крепежные болты и снимите воздушный фильтр.
8. Установка проводится в обратном порядке снятия.
