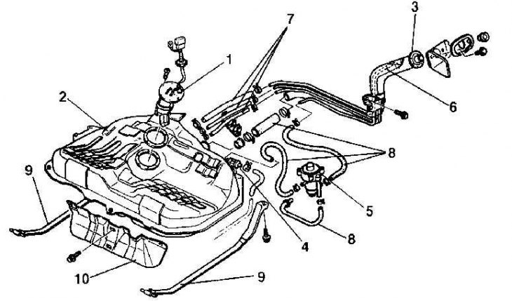
Схема соединений и креплений топливного бака
1. Топливный насос; 2. Топливный бак; 3. Заливная горловина; 4. Контрольный клапан; 5. Контрольный клапан и запорный клапан; 6. Сепаратор; 7. Шланги системы сбора паров топлива; 8. Топливные шланги; 9. Крепежная полоска; 10. Изолятор
Очистка и ремонт топливного бака
Любые работы по ремонту бака или заливной горловины должны выполняться высококвалифицированным персоналом, имеющим опыт в столь опасных и ответственных работах.
Даже после очистки и промывки топливной системы могут скопиться остаточные взрывоопасные пары, которые могут воспламениться во время ремонта бака.
Если топливный бак снят с автомобиля, его не следует хранить в тех местах, в которых существует опасность взрыва паров от искры или открытого огня.
Особую осторожность соблюдайте в гараже с подводом природного газа, так как противоаварийное газовое освещение может быть причиной взрыва.
Снятие и установка
1. Отсоедините шланги и разъем подключения от топливного насоса.
2. Установите домкрат под топливным баком.

3. Ослабьте хомут шланга заливной горловины.

4. Отсоедините шланги системы сбора паров топлива от топливного бака.

5. Открутите болты крепежных хомутов и снимите топливный бак.
6. Установка проводится в обратном порядке снятия.
