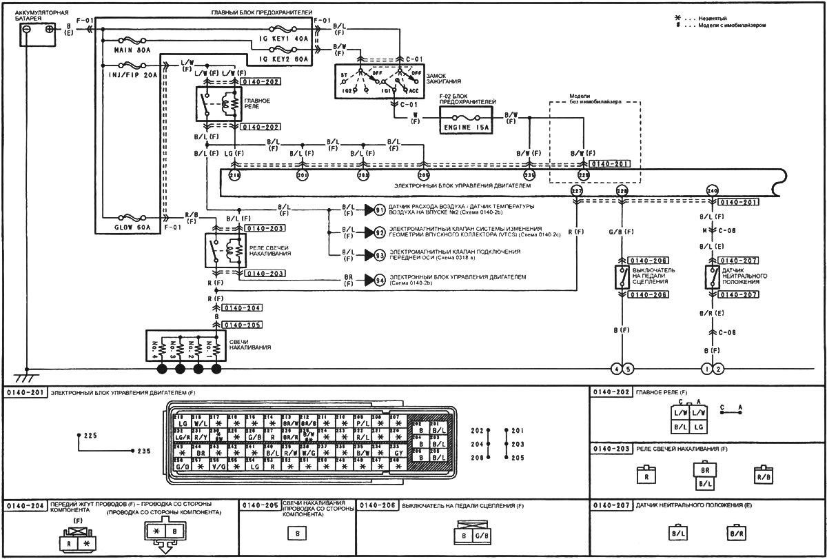
Схемы 5. Система управления двигателем (модели с двигателями WL-С и WE-C) (Mazda BT-50 (1))
Эта статья доступна на: английском, болгарском, белорусском, украинском, сербском, хорватском, румынском, польском, словацком, венгерском
Этот текст был проверен: Владимир Баженов
Предыдущие
Следующие
Еще статьи по ремонту других моделей Мазда
B-a1. Схемы системы зажигания, системы управления двигателем B6 EGI... Мазда Фамилия 5 (1985-1989)
Система управления двигателем — модели с 4-цилиндровым двигателем и… Мазда Капелла 6 (1997-2005, бензин)
Автоматическая система управления микроклиматом Мазда3 BK (2003-2009)
Система управления замками дверей Мазда6 GG (2002-2008)
Система управления полным приводом Мазда CX-5 KE (2012-2017)
B-a1. Схемы системы зажигания, системы управления двигателем B6 EGI... Мазда Фамилия 5 (1985-1989)
Система управления двигателем — модели с 4-цилиндровым двигателем и… Мазда Капелла 6 (1997-2005, бензин)
Автоматическая система управления микроклиматом Мазда3 BK (2003-2009)
Система управления замками дверей Мазда6 GG (2002-2008)
Система управления полным приводом Мазда CX-5 KE (2012-2017)
Ссылка в разных форматах на эту статью
Комментарии и отзывы посетителей
Комментариев пока нет
- Общая информация
- Введение в руководство
- Руководство по эксплуатации
- Техническое обслуживание
- Силовой агрегат
- Ремонт двигателя (дизель)
- Система охлаждения и смазки
- Система впрыска топлива
- Система впуска и выпуска
- Электрооборудование двигателя
- Трансмиссия
- Сцепление
- Механическая коробка
- Система полного привода
- Раздатка и редукторы
- Шасси
- Передняя подвеска
- Задняя подвеска
- Рулевое управление
- Тормозная система
- Кузов
- Экстерьер (внешние элементы)
- Интерьер (внутренние элементы)
- Отопление и кондиционирование
- Система безопасности SRS
- Электрооборудование
- Оборудование и приборы
- Электрические схемы
- Общая информация
- Руководство по эксплуатации
- Техническое обслуживание
- Силовой агрегат
- Бензиновый двигатель 1.3 л
- Бензиновый двигатель 1.25/1.4 л
- Дизельный двигатель
- Система смазки
- Система охлаждения
- Система зажигания
- Система питания
- Впрыск топлива (бензин)
- Впрыск топлива (дизель)
- Выхлопная система
- Трансмиссия
- Сцепление
- Коробка передач
- Шасси
- Передняя подвеска
- Задняя подвеска
- Рулевое управление
- Тормозная система
- Колеса и шины
- Кузов
- Экстерьер (внешние элементы)
- Интерьер (внутренние элементы)
- Двери, окна и замки
- Система отопления
- Электрооборудование
- Поиск неисправностей
- Оборудование и приборы
- Система освещения
- Силовые устройства
- Электрические схемы
Автомобильный анекдот
давайте следующий





