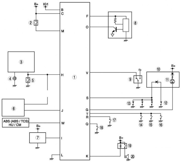
Рис. 7.95. Монтажная схема охранной системы: 1 – модуль управления охранной системы; 2 – выключатель напоминания об оставленном в замке ключе зажигания; 3 – прерыватель указателей поворота и аварийной сигнализации; 4 – указатель поворота; 5 – выключатель аварийной сигнализации; 6 – блок таймера замка двери; 7 – сирена охранной сигнализации; 8 – датчик охранной сигнализации; 9 – выключатель замка двери водителя; 10 – комбинация приборов; 11 – лампа безопасности; 12 – концевой выключатель двери (сторона водителя); 13 – концевой выключатель двери (кроме стороны водителя); 14 – выключатель замка двери пассажира; 15 – выключатель замка задней двери (правый); 16 – выключатель замка задней двери (левый); 17 – выключатель плафона освещения моторного отсека (4SD), выключатель плафона багажного отделения (5HB); 18 – концевой выключатель капота; 19 – реле включения звукового сигнала; 20 – звуковой сигнал
Монтажная схема охранной системы показана на рис. 7.95.
