Снятие и установка
1. Отсоедините провод от отрицательной клеммы аккумуляторной батареи.
2. Удалите хладагент из системы.
3. Снимите вещевой ящик.
4. Отсоедините тросы от блока вентилятора отопителя.
Примечание: во избежание загрязнения системы немедленно устанавливайте заглушки на открытые концы трубок.
5. Отсоедините трубки циркуляции хладагента.
1 - шланг линии низкого давления,
2 - трубка циркуляции хладагента.
6. Снимите блок кондиционера.

[Исходный текст можно найти на Mazbook]
7. Установку произведите в порядке, обратном снятию.
8. После установки проведите проверку эффективности системы циркуляции хладагента.
Примечание по установке
Если устанавливается новый блок кондиционера (испаритель), то долейте 40 мл компрессорного масла Р046ХС в линию охлаждения.
Разборка и сборка
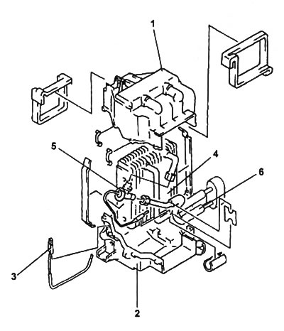
Разберите блок кондиционера в последовательности номеров, указанных на рисунке "Разборка и сборка блока кондиционера".
Разборка и сборка блока кондиционера.
1 - корпус блока кондиционера (верхний),
2 - корпус блока кондиционера (нижний),
3 - датчик температуры воздуха за испарителем,
4 - испаритель,
5 - расширительный клапан,
6 - трубка линии высокого давления.
Примечание: установка производится в порядке, обратном снятию.
Примечание по установке расширительной трубки
1. Замените кольцевые уплотнения.
Примечание: перед установкой кольцевых уплотнений, смажьте их компрессорным маслом.
2. При помощи двух ключей, затяните резьбовые соединения установленным моментом.
3. Установите расширительную трубку, как показано на рисунке.

Примечание по установке датчика температуры воздуха за испарителем
Установите датчик температуры воздуха за испарителем, как показано на рисунке.

Проверка испарителя
1. Проверьте испаритель на отсутствие повреждений и протечек компрессорного масла.
Если обнаружены повреждения или протечки, замените испаритель.
2. Проверьте теплообменные пластины испарителя на отсутствие загнутых мест. Если обнаружены погнутые пластины, выпрямите их при помощи шлицевой отвертки.
