MazBook.ru
Српски Русский
English
Български
Беларускі
Український
Hrvatski
Română
Polski
Slovenský
Magyar
• За обележиваче • Мапа • Контакти •   
Аутомобили Opel Аутомобили Ford Аутомобили Volkswagen Аутомобили Audi Аутомобили Kia Аутомобили Renault Аутомобили Peugeot
 
 
 
 
 
 
 
Familia Capella Mazda3 Mazda6 CX-? Остало Чланци
СХ-5 КЕ (2012-2017)

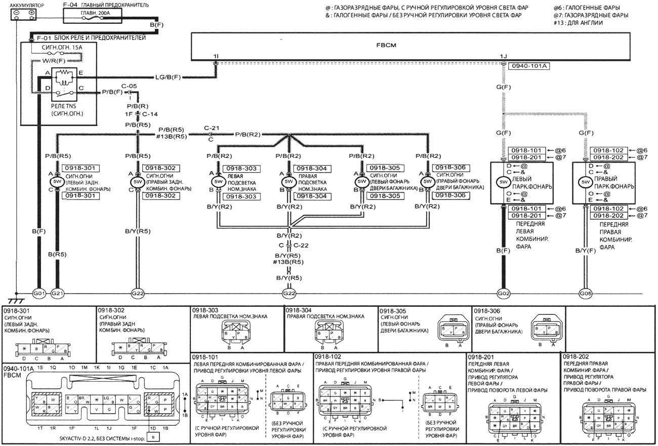
Светла за регистарске таблице, паркинг светла, сигнална светла (Mazda СХ-5 КЕ)

  • Главна
  • Мазда Ц ИКС
  • CX 5 KE (2012-2017)
  • Електрична опрема
  • Електричне шеме
  • Светла за регистарске таблице, паркинг светла, сигнална светла
0

Светла за регистарске таблице, паркинг светла, сигнална светла



Светла за регистарске таблице, паркинг светла, сигнална светла
Отвори већу слику у новој картици »


Можете научити како да читате електричне дијаграме овде →
Овај чланак је доступан на: руски, енглески, бугарски, белоруски, украјински, хрватски, румунски, пољски, словачки, мађарски
Овај текст је проверио: Јевгениј Мерешњиков
Делите на друштвеним мрежама:

Претходни
СХ-5 КЕ » Електричне шеме
Следеће

Фарови, ХИД фарови
Фарови, халогени фарови
Круг грејања седишта
Грејање задњег стакла и спољашњих ретровизора
Електрични серво управљач
Дијаграм осветљења за маглу
Показивачи правца и светла упозорења
Дијаграм светла за вожњу уназад
Дијаграм кочионог светла
Шема унутрашњег осветљења
Више чланака о поправци других модела Mazda
E-b2. Шема повезивања бочних показивача правца, фарова, светла… Мазда Familia 5 (1985-1989)
Шема 5: Фарови, бочна светла, паркирна светла, задње светло за маглу,… Мазда Цапелла 3 (1982-1992, бензин)
Уклањање и уградња светла регистарске таблице Мазда3 БК (2003-2009)
Уклањање и уградња светла регистарске таблице Мазда6 GG (2002-2008)
Уклањање и постављање задњег светла Мазда 121 (3) (1996-2003)
Линк у различитим форматима до овог чланка
Коментари и повратне информације посетилаца
Још нема коментара


Колико ће бити 26 + 44 ?

       



СХ-5 КЕ (2012-2017) 
  • Опште информације
  • Увођење у употребу
  • Упутство за употребу
  • Одржавање
  • Погонски агрегат
  • Бензинске моторе 2.0 л
  • Бензинске моторе 2.5 л
  • Дизел мотори 2.2 л
  • Систем за хлађење
  • Систем за подмазивање
  • Систем за напајање
  • Систем за управљање
  • Систем уносу и пуштања
  • Електрична опрема мотора
  • Трансмисија
  • Квачило
  • Механичка кутија
  • Аутоматско кутија
  • Раздаточная кутија
  • Дриве вратила и цардан
  • Шасија
  • Точкови и гуме
  • Предња суспензија
  • Задња суспензија
  • Кочиони систем
  • Управљање
  • Каросерије
  • Екстеријер (спољни елементи)
  • Унутрашњост (интерни елементи)
  • Систем безбедности
  • Грејање и климатизација
  • Електрична опрема
  • Опрема и инструменти
  • Електричне шеме
MazBook.ru © 2018–2026 · Мобилна верзија · Чланци и вести · Мапа сајта: EN BG BY UA RS HR RO PL SK HU · Повратна информација · Претрага сајта · Додај у обележиваче Familia 5 (BF) · Familia 6 (BG) · Цапелла 3 (GC) · Цапелла 3 и 4 (GC) · Цапелла 4 (GD) · Цапелла 5 (GE) · Цапелла 6 (GF) · Мазда3 БК · Мазда6 GG · СХ-5 КЕ · Мазда 121 (3) · Мазда БТ-50 (1) ·
Наставком коришћења сајта, слажете се са употребом колачића 🔐