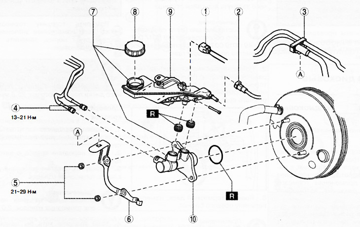
Снятие и установка главного тормозного цилиндра
1. Разъем датчика уровня тормозной жидкости.
2. Резервный шланг гидропривода сцепления (версии с механической трансмиссией).
3. Держатель шлангов.
4. Тормозные трубопроводы.
5. Гайки.
6. Кронштейн.
7. Главный тормозной цилиндр в сборе.
8. Крышка.
9. Бачок тормозной жидкости.
10. Главный тормозной цилиндр.
Примечание:заменять деталь новой после каждого снятия.
1. Снять аккумуляторную батарею с полкой.
2. Отсоединить датчик уровня тормозной жидкости.
3. Отсоединить резервный шланг гидропривода сцепления в указанной на рисунке последовательности.

4. Освободить держатели шлангов и отсоединить тормозные трубопроводы от главного тормозного цилиндра.
5. Отвернуть гайки и снять кронштейн с главного тормозного цилиндра.
6. Снять тормозной цилиндр в сборе с бачком тормозной жидкости.
7. Удалить крышку бачка, после чего выкрутить крепежный винт и снять бачок с главного тормозного цилиндра.
8. Установка производится в порядке, обратном снятию.
Примечание: Вставить резервный шланг гидропривода сцепления и, потянув, убедиться в надежности фиксации, после чего вставить полностью.
9. После установки долить в бачок тормозную жидкость, удалить воздух из тормозной системы и снова проверить уровень тормозной жидкости в бачке.
Проверка датчика уровня тормозной жидкости
1. Отсоединить разъем датчика уровня тормозной жидкости от главного тормозного цилиндра.
2. Проверить наличие проводимости между выводами разъема датчика уровня тормозной жидкости согласно приведенной ниже таблице.
![]() |
![]() |
3. Если результаты проверки не соответствуют приведенным в таблице значениям, заменить бачок тормозной жидкости новым.


