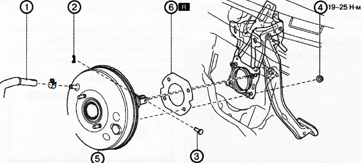
1. Вакуумный шланг
2. Пружинная шпилька.
3. Соединительный штифт.
4. Крепежная гайка.
5. Вакуумный усилитель тормозов.
6. Прокладка.
Примечание:заменять деталь новой после каждого снятия.
Внимание. Поскольку зазор тормозного выключателя регулируется автоматически, повторная регулировка не требуется. Кроме того, при замене вакуумного усилителя тормозов или педали, а также после выполнения любых процедур, связанных с изменением хода педали тормоза, необходимо заменять тормозной выключатель новым.
1. Снять аккумуляторную батарею с полкой.
2. Снять стеклоочистители.
3. Снять решетку верхней части капота.
4. Снять привод с тягами стеклоочистителей.
5. Снять панель капота.
6. Снять главный тормозной цилиндр.
7. Снять вакуумный шланг с усилителя тормозов.
8. Удалить пружинную шпильку и извлечь соединительный штифт.
9. Отвернуть крепежные гайки и снять вакуумный усилитель тормозов с прокладкой.
Оригинал статьи доступен на MAZBOOK
10. Установка производится в порядке, обратном снятию.
11. После установки долить в бачок тормозную жидкость, удалить воздух из тормозной системы и снова проверить уровень тормозной жидкости в бачке.
12. Снять тормозной выключатель.
13. Проверить педаль тормоза.
14. Установить новый тормозной выключатель.
