Проверка вакуумного насоса
1. Снять декоративную крышку двигателя.
2. Пассатижами разжать хомут и отсоединить вакуумный шланг от вакуумного насоса.
3. Установить вакуумметр, как показано на рисунке, и проверить разрежение.

4. Прогреть двигатель. Если давление меньше нормы, проверить техническое состояние вакуумного насоса и недостаток масла в насосе.
5. Установка производится в порядке, обратном снятию.
Снятие и установка вакуумного насоса
Версии с бензиновыми двигателями
1. Вакуумный шланг.
2. Разъем датчика положения выпускного распределительного вала.
3. Болт.
4. Вакуумный насос.
5. Уплотнительное кольцо круглого сечения.
Примечание:заменять деталь новой после каждого снятия.
1. Снять декоративную крышку двигателя.
2. Снять аккумуляторную батарею с полкой.
3. Убрать электропроводку блока управления двигателем в сторону.
4. Разжать хомут пассатижами и отсоединить вакуумный шланг от вакуумного насоса.
5. Отсоединить разъем датчика положения выпускного распределительного вала.
6. Отвернуть болты крепления и снять вакуумный насос.
Примечание: При снятии вакуумного насоса поместить ветошь под его установочную поверхность так, чтобы вытекающее моторное масло не попадало на другие части.
7. Удалить уплотнительное кольцо круглого сечения.
8. Вручную провернуть вакуумный насос, чтобы слить остатки моторного масла из вакуумного насоса.
9. Обезжирить установочную канавку под уплотнительное кольцо и установочные поверхности.
10. Установить новое уплотнительное кольцо круглого сечения на вакуумный насос.
11. Установить вакуумный насос.
12. Дальнейшая установка производится в порядке, обратном снятию.
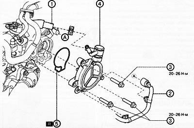
Версии с дизельными двигателями
1. Вакуумный патрубок.
2. Крепежные болты.
3. Болт.
4. Вакуумный насос.
А. Уплотнительное кольцо круглого сечения.
Примечание:заменять деталь новой после каждого снятия.
1. Снять декоративную крышку двигателя.
2. Снять аккумуляторную батарею с полкой.
3. Пассатижами разжать хомут и отсоединить вакуумный шланг от вакуумного насоса.
4. Снять следующие части:
- Крышку воздушного фильтра.
- Фильтрующий элемент воздушного фильтра.
- Воздуховод.
- Корпус воздушного фильтра.
- Воздушный шланг.
- Впускной воздуховод.
5. Снять отводной шланг турбокомпрессора вместе с впускным воздушным патрубком.
6. Отсоединить разъем датчика температуры топлива.
7. Отсоединить разъем датчика положения распределительного вала.
8. Снять проводку датчика положения распределительного вала с нижнего корпуса.
9. Выполнить подготовку к проверкам параметров двигателя (см. главу 6b "Механическая часть дизельного двигателя").
10. Отвернуть крепежные болты водяного патрубка и убрать его в сторону.
11. Снять возвратный топливопровод (со стороны топливного насоса высокого давления).
12. Снять возвратный топливопровод (со стороны топливных форсунок).
13. Снять возвратные топливные шланги №1 и №2.
14. Отвернуть болты крепления нижнего корпуса и убрать его в сторону.
15. Отсоединить вакуумный патрубок.
16. Отвернуть крепежные болты и снять вакуумный насос.
Примечание: При снятии вакуумного насоса поместить ветошь под его установочную поверхность так, чтобы вытекающее моторное масло не попадало на другие части.
17. Удалить уплотнительное кольцо круглого сечения.
18. Вручную провернуть вакуумный насос, чтобы слить остатки моторного масла из вакуумного насоса.
19. Обезжирить установочную канавку под уплотнительное кольцо и установочные поверхности.
20. Установить новое уплотнительное кольцо круглого сечения на вакуумный насос.
21. Установить вакуумный насос.
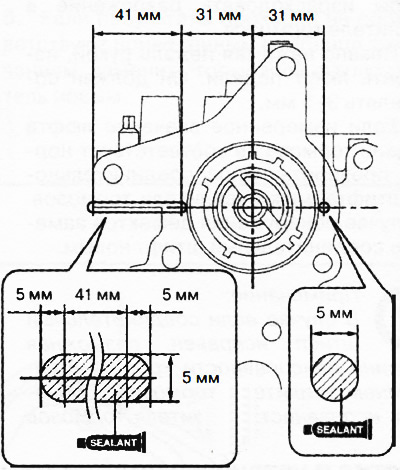
22. Нанести тонкий слой силиконового герметика (TB1217G), как показано на рисунке.

Примечание: Установить вакуумный насос до того, как герметик начнет затвердевать.
23. Установить вакуумный насос.
24. Дальнейшая установка производится в порядке, обратном снятию.
25. Выполнить процедуры после обслуживания двигателя (см. главу 6b "Механическая часть дизельного двигателя").
