MazBook.ru
Русский English
Български
Беларускі
Український
Српски
Hrvatski
Română
Polski
Slovenský
Magyar
• В закладки • Карта • Контакты •   
Автомобили Opel Автомобили Ford Автомобили Volkswagen Автомобили Audi Автомобили Kia Автомобили Renault Автомобили Peugeot
 
 
 
 
 
 
 
Familia Capella Mazda3 Mazda6 CX-? Прочие Статьи
Капелла 3 (1982-1992, бензин) Капелла 3 и 4 (1982-1992) Капелла 4 (1987-1992) Капелла 5 (1991-1997) Капелла 6 (1997-2005, бензин)

Фара. Фонарь освещения вещевого ящика. Передние стояночные фонари. Задний габаритный свет... (Mazda Capella GD)

  • Главная
  • Мазда Капелла
  • Capella GD (1987-1992)
  • Электрооборудование
  • Электрические схемы
  • Фара. Фонарь освещения вещевого ящика. Передние стояночные фонари. Задний габаритный свет...
0
Оглавление: Фара. Фонарь освещения вещевого…⇓ Освещение приборов ⇓

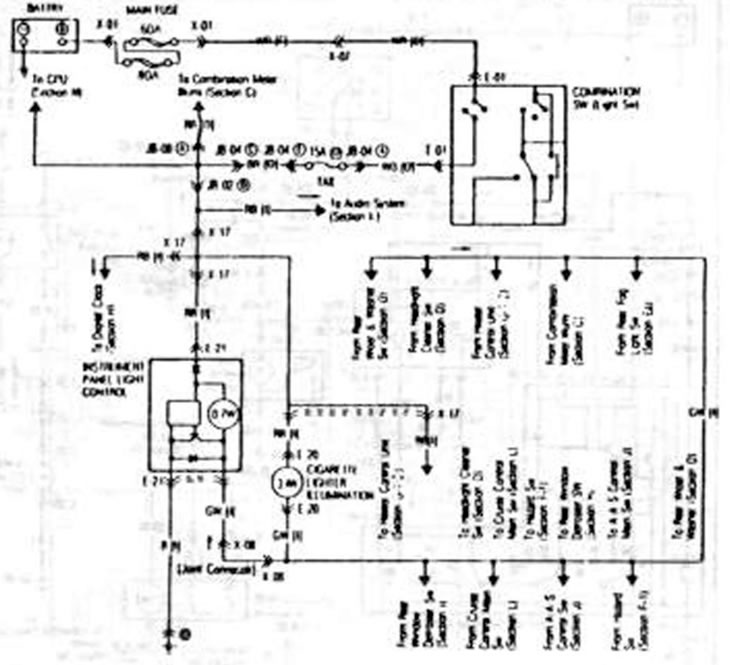
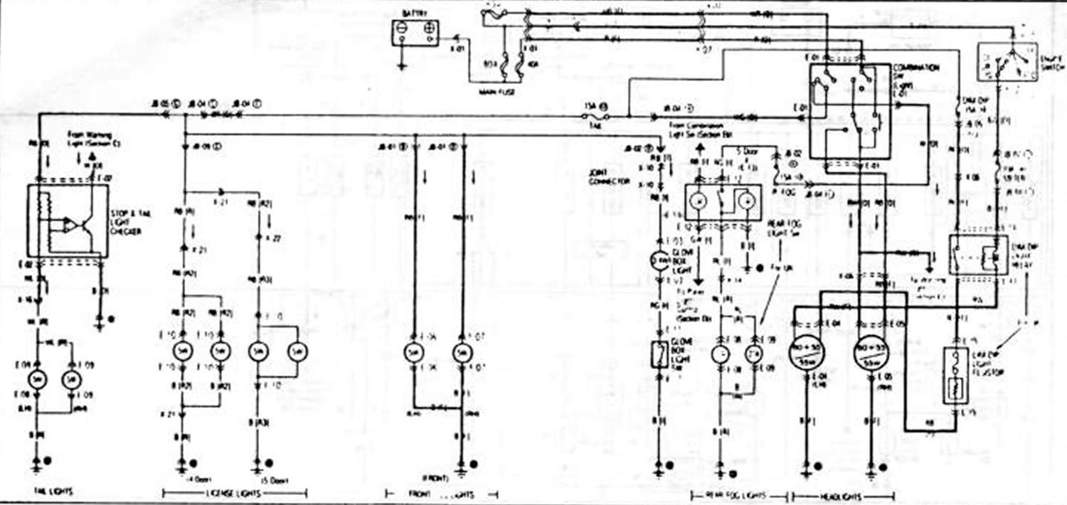
Фара. Фонарь освещения вещевого ящика. Передние стояночные фонари. Задний габаритный свет. Фонарь освещения номерного знака. Ближний свет. Противотуманный фонарь.



Фара. Фонарь освещения вещевого ящика. Передние стояночные фонари. Задний габаритный свет. Фонарь…
Открыть большую картинку в новой вкладке »
Ea


Освещение приборов



Освещение приборов Eb
Эта статья доступна на: английском, болгарском, белорусском, украинском, сербском, хорватском, румынском, польском, словацком, венгерском
Этот текст был проверен: Георгий Афанасьев
Поделиться с друзьями в социальных сетях:

Предыдущие
Капелла 4 » Электрические схемы
Следующие

Передний стеклоочиститель и схема стеклоочистителя. Задний…
Приборы и предупредительная световая сигнализация
Система свечей накаливания. Блокировка топлива. Подогрев топлива
Схема стартера. Установка зарядного тока
Экспликация к схемам соединений — дизельный двигатель
Фонарь указателя поворота и предупредительная световая сигнализация.…
Обогрев и кондиционер. Охладительный вентилятор
Обогреваемое заднее стекло. Зажигалка. Цифровые часы. Фонарь багажника
Регулируемое наружное зеркало
Антенна. Радио и кассетник
Еще статьи по ремонту других моделей Мазда
Ea. Схема включения выключателя освещения приборов Мазда Фамилия 5 (1985-1989)
Снятие и установка лампы подсветки вещевого ящика Мазда3 BK (2003-2009)
Снятие и установка лампы подсветки вещевого ящика Мазда6 GG (2002-2008)
Передние комбинированные фары головного освещения Мазда CX-5 KE (2012-2017)
Система освещения — блок-фара Mazda BT-50 (1) (2006-2011)
Ссылка в разных форматах на эту статью
Комментарии и отзывы посетителей
Комментариев пока нет


Сколько будет 21 + 20 ?

       



Капелла 6 (1997-2005, бензин) 
  • Общая информация
  • Введение в руководство
  • Руководство по эксплуатации
  • Выявление неисправностей
  • Техническое обслуживание
  • Силовой агрегат
  • 4-цилиндровые двигатели
  • 6-цилиндровые двигатели
  • Капремонт двигателей
  • Охлаждение и вентиляция
  • Системы питания и выпуска
  • Электрика двигателя
  • Система управления
  • Трансмиссия
  • Механическая коробка
  • Автоматическая коробка
  • Сцепление и ведущие валы
  • Шасси
  • Тормозная система
  • Подвеска автомобиля
  • Рулевое управление
  • Кузов
  • Экстерьер (внешние элементы)
  • Интерьер (внутренние элементы)
  • Двери, окна и замки
  • Электрооборудование
  • Оборудование и приборы
  • Электрические схемы
Капелла 5 (1991-1997) 
  • Общая информация
  • Руководство по эксплуатации
  • Техническое обслуживание
  • Полезные советы
  • Силовой агрегат
  • Бензиновые двигатели 1.6 и 1.8
  • Бензиновые двигатели 2.0
  • Бензиновые двигатели 2.5
  • Капремонт двигателей 1.6 и 1.8
  • Капремонт двигателей 2.0 и 2.5
  • Дизельный двигатель 2.0
  • Электрика двигателя
  • Система охлаждения
  • Кондиционер воздуха
  • Карбюратор Nikki 30/34
  • Система питания (1.6 и 1.8)
  • Система питания (2.0 и 2.5)
  • Система управления
  • Трансмиссия
  • Механическая коробка
  • Автоматическая коробка
  • Сцепление и полуоси
  • Шасси
  • Тормозная система
  • Подвеска и колеса
  • Рулевое управление
  • Кузов
  • Экстерьер (внешние элементы)
  • Интерьер (внутренние элементы)
  • Двери и окна
  • Электрооборудование
  • Оборудование и приборы
  • Электрические схемы
Капелла 4 (1987-1992) 
  • Общая информация
  • Введение в руководство
  • Спецификации автомобиля
  • Силовой агрегат
  • Ремонт двигателя
  • Система смазки
  • Система охлаждения
  • Система питания (карбюратор)
  • Впрыск топлива (FE)
  • Впрыск топлива (DOHC)
  • Система питания (дизель)
  • Система зажигания
  • Трансмиссия
  • Сцепление
  • Коробка передач
  • Приводные валы
  • Шасси
  • Передняя подвеска
  • Задняя подвеска
  • Рулевое управление
  • Тормозная система
  • Электрооборудование
  • Оборудование и приборы
  • Электрические схемы
Капелла 3 и 4 (1982-1992) 
  • Общая информация
  • Руководство по эксплуатации
  • Техническое обслуживание
  • Силовой агрегат
  • Двигатель в автомобиле (бензин)
  • Капремонт двигателя (бензин)
  • Дизельный двигатель
  • Охлаждение и отопление
  • Система питания
  • Система зажигания
  • Снижение токсичности выхлопа
  • Трансмиссия
  • Сцепление
  • Механическая коробка
  • Автоматическая коробка
  • Приводные валы
  • Шасси
  • Тормозная система
  • Подвеска и колеса
  • Рулевое управление
  • Кузов
  • Экстерьер (внешние элементы)
  • Интерьер (внутренние элементы)
  • Электрооборудование
  • Оборудование и приборы
  • Силовые устройства
  • Электрические схемы
Капелла 3 (1982-1992, бензин) 
  • Общая информация
  • Руководство по эксплуатации
  • Техническое обслуживание
  • Выявление неисправностей
  • Информация о поздних моделях
  • Силовой агрегат
  • Двигатель в автомобиле
  • Капремонт двигателя
  • Система охлаждения и обогрева
  • Топливная и выхлопная система
  • Электрическая система двигателя
  • Система управления эмиссией
  • Трансмиссия
  • Механическая коробка
  • Автоматическая коробка
  • Сцепление и приводные валы
  • Шасси
  • Тормозная система
  • Подвеска и колеса
  • Рулевое управление
  • Кузов
  • Экстерьер (внешние элементы)
  • Интерьер (внутренние элементы)
  • Электрооборудование
  • Оборудование и приборы
  • Освещение и лампы
  • Электрические схемы
Автомобильный анекдот
давайте следующий
MazBook.ru © 2018–2026 · Мобильная версия · Статьи и новости · Карта сайта: EN BG BY UA RS HR RO PL SK HU · Обратная связь · Поиск по сайту · Добавить в закладки Фамилия 5 (BF) · Фамилия 6 (BG) · Капелла 3 (GC) · Капелла 3 и 4 (GC) · Капелла 4 (GD) · Капелла 5 (GE) · Капелла 6 (GF) · Мазда3 BK · Мазда6 GG · CX-5 KE · Mazda 121 (3) · Mazda BT-50 (1) · Автомобильные новости · Справочник автомеханика · Техобслуживание иномарок · Системы впрыска топлива · Установка автосигнализаций
Используя сайт дальше, вы подтверждаете согласие на использование cookies 🔐