MazBook.ru
Русский English
Български
Беларускі
Український
Српски
Hrvatski
Română
Polski
Slovenský
Magyar
• В закладки • Карта • Контакты • Поиск:  
Автомобили Opel Автомобили Ford Автомобили Volkswagen Автомобили Audi Автомобили Kia Автомобили Renault Автомобили Peugeot
 
 
 
 
 
 
 
Familia Capella Mazda3 Mazda6 CX-? Прочие Статьи
Капелла 3 (1982-1992, бензин) Капелла 3 и 4 (1982-1992) Капелла 5 (1991-1997) Капелла 6 (1997-2005, бензин)

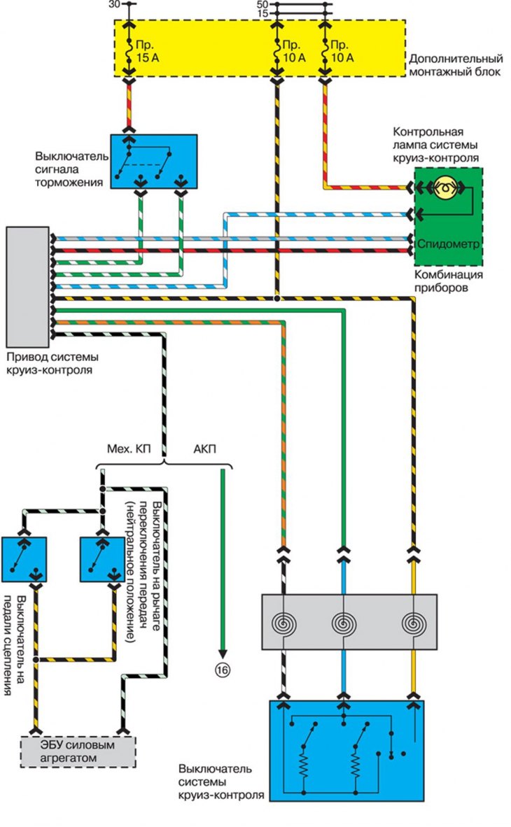
Система круиз-контроля (1998 г.) (Mazda Capella GE)

  • Главная
  • Мазда Капелла
  • Capella GE (1991-1997)
  • Электрооборудование
  • Электрические схемы
  • Система круиз-контроля (1998 г.)
0

Модели 1998 г. выпуска



16. Датчик передач

16. Датчик передач
Эта статья доступна на: английском, болгарском, белорусском, украинском, сербском, хорватском, румынском, польском, словацком, венгерском
Этот текст был проверен: Евгений Мерешников
Поделиться с друзьями в социальных сетях:

Предыдущие
Капелла 5 » Электрические схемы
Следующие

Система круиз-контроля (1995-1997 гг.)
Система круиз-контроля (1993-1994 гг.)
Датчики приборного щитка и сигнальные лампочки (1998 г.)
Датчики приборного щитка и сигнальные лампочки (1993-1997 гг.)
Внутренние осветительные приборы
Стеклоочистители и омыватели лобового стекла
Печка и кондиционер (с 4-цил. двигателем, 1993 г.)
Печка и кондиционер (с 6-цил. двигателем, 1993 г.)
Печка и кондиционер (с 4-цил. двигателем, 1994-1997 гг.)
Печка и кондиционер (с 6-цил. двигателем, 1994-1997 гг.)
Еще статьи по ремонту других моделей Мазда
Система питания — устройство Мазда Фамилия 5 (1985-1989)
Система курсовой устойчивости автомобиля (круиз-контроль) Мазда3 BK (2003-2009)
Система курсовой устойчивости автомобиля (круиз-контроль) Мазда6 GG (2002-2008)
Схема круиз-контроля Мазда CX-5 KE (2012-2017)
Система смазки двигателя — общие сведения Mazda 121 (3) (1996-2003)
Ссылка в разных форматах на эту статью
TEXTHTMLBB Code
Комментарии и отзывы посетителей
Комментариев пока нет


Сколько будет 15 + 23 ?

       





Капелла 6 (1997-2005, бензин) 
  • Общая информация
  • Введение в руководство
  • Руководство по эксплуатации
  • Выявление неисправностей
  • Техническое обслуживание
  • Силовой агрегат
  • 4-цилиндровые двигатели
  • 6-цилиндровые двигатели
  • Капремонт двигателей
  • Охлаждение и вентиляция
  • Системы питания и выпуска
  • Электрика двигателя
  • Система управления
  • Трансмиссия
  • Механическая коробка
  • Автоматическая коробка
  • Сцепление и ведущие валы
  • Шасси
  • Тормозная система
  • Подвеска автомобиля
  • Рулевое управление
  • Кузов
  • Экстерьер (внешние элементы)
  • Интерьер (внутренние элементы)
  • Двери, окна и замки
  • Электрооборудование
  • Оборудование и приборы
  • Электрические схемы
Капелла 5 (1991-1997) 
  • Общая информация
  • Руководство по эксплуатации
  • Техническое обслуживание
  • Полезные советы
  • Силовой агрегат
  • Бензиновые двигатели 1.6 и 1.8
  • Бензиновые двигатели 2.0
  • Бензиновые двигатели 2.5
  • Капремонт двигателей 1.6 и 1.8
  • Капремонт двигателей 2.0 и 2.5
  • Дизельный двигатель 2.0
  • Электрика двигателя
  • Система охлаждения
  • Кондиционер воздуха
  • Карбюратор Nikki 30/34
  • Система питания (1.6 и 1.8)
  • Система питания (2.0 и 2.5)
  • Система управления
  • Трансмиссия
  • Механическая коробка
  • Автоматическая коробка
  • Сцепление и полуоси
  • Шасси
  • Тормозная система
  • Подвеска и колеса
  • Рулевое управление
  • Кузов
  • Экстерьер (внешние элементы)
  • Интерьер (внутренние элементы)
  • Двери и окна
  • Электрооборудование
  • Оборудование и приборы
  • Электрические схемы
Капелла 3 и 4 (1982-1992) 
  • Общая информация
  • Руководство по эксплуатации
  • Техническое обслуживание
  • Силовой агрегат
  • Двигатель в автомобиле (бензин)
  • Капремонт двигателя (бензин)
  • Дизельный двигатель
  • Охлаждение и отопление
  • Система питания
  • Система зажигания
  • Снижение токсичности выхлопа
  • Трансмиссия
  • Сцепление
  • Механическая коробка
  • Автоматическая коробка
  • Приводные валы
  • Шасси
  • Тормозная система
  • Подвеска и колеса
  • Рулевое управление
  • Кузов
  • Экстерьер (внешние элементы)
  • Интерьер (внутренние элементы)
  • Электрооборудование
  • Оборудование и приборы
  • Силовые устройства
  • Электрические схемы
Капелла 3 (1982-1992, бензин) 
  • Общая информация
  • Руководство по эксплуатации
  • Техническое обслуживание
  • Выявление неисправностей
  • Информация о поздних моделях
  • Силовой агрегат
  • Двигатель в автомобиле
  • Капремонт двигателя
  • Система охлаждения и обогрева
  • Топливная и выхлопная система
  • Электрическая система двигателя
  • Система управления эмиссией
  • Трансмиссия
  • Механическая коробка
  • Автоматическая коробка
  • Сцепление и приводные валы
  • Шасси
  • Тормозная система
  • Подвеска и колеса
  • Рулевое управление
  • Кузов
  • Экстерьер (внешние элементы)
  • Интерьер (внутренние элементы)
  • Электрооборудование
  • Оборудование и приборы
  • Освещение и лампы
  • Электрические схемы
Автомобильный анекдот
давайте следующий
MazBook.ru © 2018–2025 · Мобильная версия · Статьи и новости · Карта сайта: EN BG BY UA RS HR RO PL SK HU · Обратная связь · Поиск по сайту · Добавить в закладки Фамилия 5 (BF) · Фамилия 6 (BG) · Капелла 3 (GC) · Капелла 3 и 4 (GC) · Капелла 5 (GE) · Капелла 6 (GF) · Мазда3 BK · Мазда6 GG · CX-5 KE · Mazda 121 (3) · Mazda BT-50 (1) · Автомобильные новости · Справочник автомеханика · Техобслуживание иномарок · Системы впрыска топлива · Установка автосигнализаций