MazBook.ru
Русский English
Български
Беларускі
Український
Српски
Hrvatski
Română
Polski
Slovenský
Magyar
• В закладки • Карта • Контакты • Поиск:  
Автомобили Opel Автомобили Ford Автомобили Volkswagen Автомобили Audi Автомобили Kia Автомобили Renault Автомобили Peugeot
 
 
 
 
 
 
 
Familia Capella Mazda3 Mazda6 CX-? Прочие Статьи

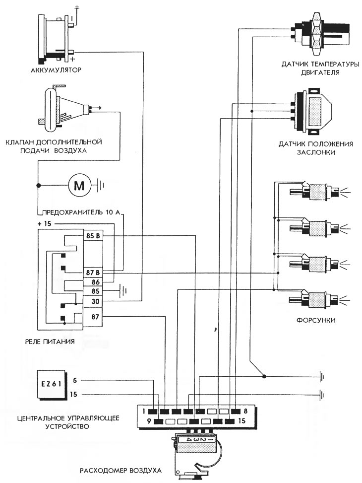
Электрическая схема системы впрыска топлива Opel Kadett 1.8 — Opel Omega 1.8

  • Главная
  • Автомобильные статьи
  • Системы впрыска топлива
  • Электрическая схема системы вп…
0     

Электрическая схема системы впрыска топлива Opel Kadett 1.8 - Opel Omega 1.8



Электрическая схема системы впрыска топлива Opel Kadett 1.8 - Opel Omega 1.8
Этот текст был проверен: Георгий Афанасьев
Поделиться с друзьями в социальных сетях:

Предыдущие
Системы впрыска топлива
Следующие

Электрическая схема системы впрыска топлива Lancia Thema 16V
Электрическая схема системы впрыска топлива Lancia Y10 1.3
Электрическая схема системы впрыска топлива Fiat Uno Turbo…
Электрическая схема системы впрыска топлива Alfa Romeo 33…
Неисправности системы и контрольные параметры LE3-Jetronic
Электрическая схема системы впрыска топлива Peugeot 405 GRI…
Схема системы впрыска топлива LH-Jetronic
Узлы системы впрыска топлива LH-Jetronic
Неисправности системы и контрольные параметры LH-Jetronic
Электрическая схема системы впрыска топлива Peugeot 505 6V
Еще статьи и новости по автомобилям Мазда
• Электрическая схема системы впрыска топлива Opel Omega 2.0i (Системы впрыска топлива)
• Электрическая схема системы впрыска топлива Saab 900 Turbo… (Системы впрыска топлива)
• Электрическая схема системы впрыска топлива Saab 9000i (Системы впрыска топлива)
• Электрическая схема системы впрыска топлива Volvo 480/440… (Системы впрыска топлива)
• Электрическая схема системы впрыска топлива Volvo 740 16V (Системы впрыска топлива)
Ссылка в разных форматах на эту статью
TEXTHTMLBB Code
Комментарии и отзывы посетителей
Комментариев пока нет


Сколько будет 40 + 42 ?

       





Статьи для владельцев Mazda
  • Автомобильные новости
  • Справочник автомеханика
  • Техобслуживание иномарок
  • Системы впрыска топлива
  • Установка автосигнализаций
Автомобильный анекдот
давайте следующий
MazBook.ru © 2018–2025 · Мобильная версия · Статьи и новости · Карта сайта: EN BG BY UA RS HR RO PL SK HU · Обратная связь · Поиск по сайту · Добавить в закладки Фамилия 5 (BF) · Фамилия 6 (BG) · Капелла 3 (GC) · Капелла 3 и 4 (GC) · Капелла 5 (GE) · Капелла 6 (GF) · Мазда3 BK · Мазда6 GG · CX-5 KE · Mazda 121 (3) · Mazda BT-50 (1) · Автомобильные новости · Справочник автомеханика · Техобслуживание иномарок · Системы впрыска топлива · Установка автосигнализаций