Измерения количества воздуха, засасываемого двигателем, сделанные при помощи подвижной заслонки менее точны в случаях езды автомобиля на больших высотах и при значительной пульсации воздуха (порывистый ветер).
Кроме того, подвижные части расходомера воздуха быстро выходят из строя по причине износа.
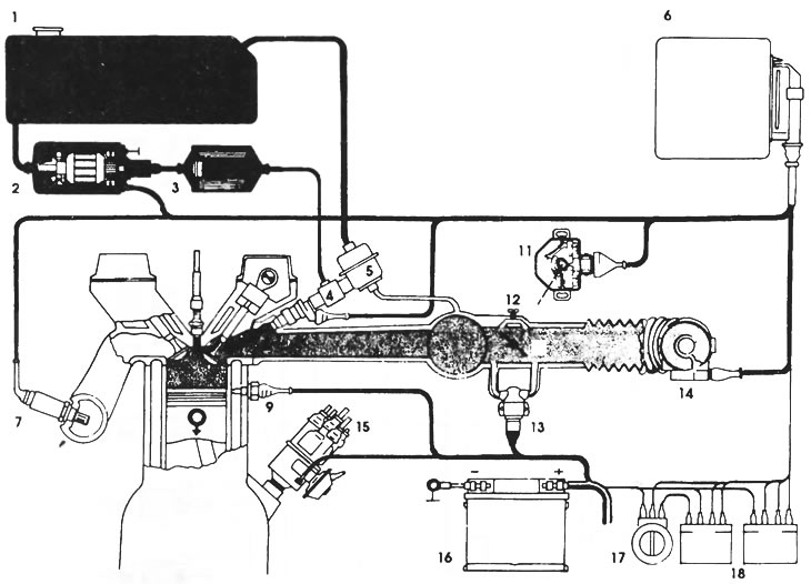
Измерение массы воздуха при помощи расходомера полностью не зависит от изменения его плотности, так как засасываемое двигателем количество воздуха измеряется непосредственно "горячим проводом".
Рис. 30. Схема системы LH-Jetronic: 1 - топливный бак, 2 - электрический топливный насос, 3 - фильтр, 4 - распределитель топлива, 5 - регулятор давления топлива, 6 - центральное управляющее устройство, 7 - зонд лямбда, 8 - форсунки, 9 - датчик температуры двигателя, 10 - заслонка педали газа, 11 - датчик положения заслонки, 12 - регулировочный винт частоты холостого хода, 13 - усиливающий регулятор холостого хода, 14 - расходомер массы воздуха с "подогревом", 15 - распределитель зажигания, 16 - аккумулятор, 17 - замок зажигания, 18 - реле
Оригинальный материал на сайте www.MAZbook.ru
