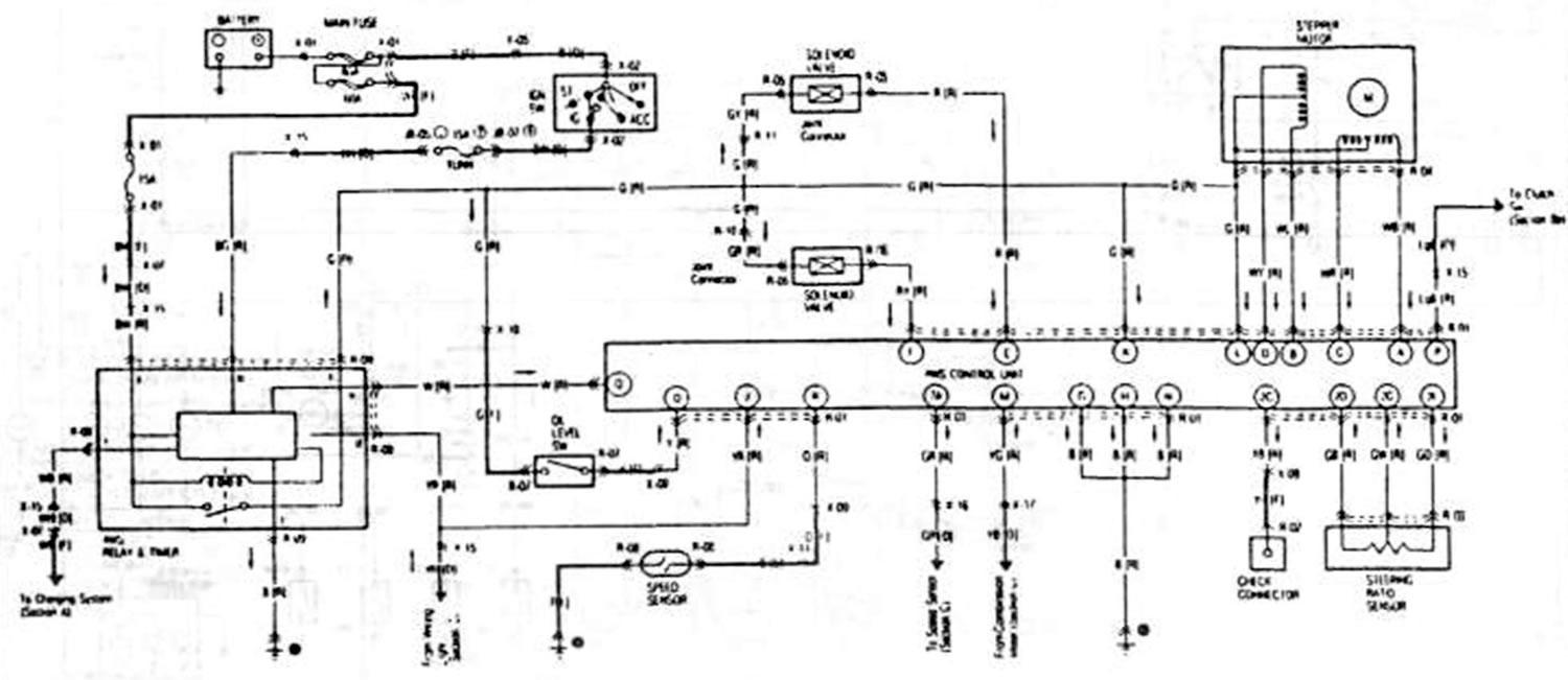
Система управления для рулевого управления четырех колес (Mazda Capella GD)
Эта статья доступна на: английском, болгарском, белорусском, украинском, сербском, хорватском, румынском, польском, словацком, венгерском
Этот текст был проверен: Георгий Афанасьев
Предыдущие
Следующие
Еще статьи по ремонту других моделей Мазда
Детальные технические характеристики рулевого управления Мазда Фамилия 5 (1985-1989)
Автоматическая система управления микроклиматом Мазда3 BK (2003-2009)
Система управления замками дверей Мазда6 GG (2002-2008)
Общие процедуры рулевого управления Мазда CX-5 KE (2012-2017)
Проверка чехлов рулевого управления Mazda 121 (3) (1996-2003)
Детальные технические характеристики рулевого управления Мазда Фамилия 5 (1985-1989)
Автоматическая система управления микроклиматом Мазда3 BK (2003-2009)
Система управления замками дверей Мазда6 GG (2002-2008)
Общие процедуры рулевого управления Мазда CX-5 KE (2012-2017)
Проверка чехлов рулевого управления Mazda 121 (3) (1996-2003)
Ссылка в разных форматах на эту статью
Комментарии и отзывы посетителей
Комментариев пока нет
- Общая информация
- Введение в руководство
- Руководство по эксплуатации
- Выявление неисправностей
- Техническое обслуживание
- Силовой агрегат
- 4-цилиндровые двигатели
- 6-цилиндровые двигатели
- Капремонт двигателей
- Охлаждение и вентиляция
- Системы питания и выпуска
- Электрика двигателя
- Система управления
- Трансмиссия
- Механическая коробка
- Автоматическая коробка
- Сцепление и ведущие валы
- Шасси
- Тормозная система
- Подвеска автомобиля
- Рулевое управление
- Кузов
- Экстерьер (внешние элементы)
- Интерьер (внутренние элементы)
- Двери, окна и замки
- Электрооборудование
- Оборудование и приборы
- Электрические схемы
- Общая информация
- Руководство по эксплуатации
- Техническое обслуживание
- Полезные советы
- Силовой агрегат
- Бензиновые двигатели 1.6 и 1.8
- Бензиновые двигатели 2.0
- Бензиновые двигатели 2.5
- Капремонт двигателей 1.6 и 1.8
- Капремонт двигателей 2.0 и 2.5
- Дизельный двигатель 2.0
- Электрика двигателя
- Система охлаждения
- Кондиционер воздуха
- Карбюратор Nikki 30/34
- Система питания (1.6 и 1.8)
- Система питания (2.0 и 2.5)
- Система управления
- Трансмиссия
- Механическая коробка
- Автоматическая коробка
- Сцепление и полуоси
- Шасси
- Тормозная система
- Подвеска и колеса
- Рулевое управление
- Кузов
- Экстерьер (внешние элементы)
- Интерьер (внутренние элементы)
- Двери и окна
- Электрооборудование
- Оборудование и приборы
- Электрические схемы
- Общая информация
- Введение в руководство
- Спецификации автомобиля
- Силовой агрегат
- Ремонт двигателя
- Система смазки
- Система охлаждения
- Система питания (карбюратор)
- Впрыск топлива (FE)
- Впрыск топлива (DOHC)
- Система питания (дизель)
- Система зажигания
- Трансмиссия
- Сцепление
- Коробка передач
- Приводные валы
- Шасси
- Передняя подвеска
- Задняя подвеска
- Рулевое управление
- Тормозная система
- Электрооборудование
- Оборудование и приборы
- Электрические схемы
- Общая информация
- Руководство по эксплуатации
- Техническое обслуживание
- Силовой агрегат
- Двигатель в автомобиле (бензин)
- Капремонт двигателя (бензин)
- Дизельный двигатель
- Охлаждение и отопление
- Система питания
- Система зажигания
- Снижение токсичности выхлопа
- Трансмиссия
- Сцепление
- Механическая коробка
- Автоматическая коробка
- Приводные валы
- Шасси
- Тормозная система
- Подвеска и колеса
- Рулевое управление
- Кузов
- Экстерьер (внешние элементы)
- Интерьер (внутренние элементы)
- Электрооборудование
- Оборудование и приборы
- Силовые устройства
- Электрические схемы
- Общая информация
- Руководство по эксплуатации
- Техническое обслуживание
- Выявление неисправностей
- Информация о поздних моделях
- Силовой агрегат
- Двигатель в автомобиле
- Капремонт двигателя
- Система охлаждения и обогрева
- Топливная и выхлопная система
- Электрическая система двигателя
- Система управления эмиссией
- Трансмиссия
- Механическая коробка
- Автоматическая коробка
- Сцепление и приводные валы
- Шасси
- Тормозная система
- Подвеска и колеса
- Рулевое управление
- Кузов
- Экстерьер (внешние элементы)
- Интерьер (внутренние элементы)
- Электрооборудование
- Оборудование и приборы
- Освещение и лампы
- Электрические схемы
Автомобильный анекдот
давайте следующий

