Внимание.
- Не ронять и не подвергать ударам электрический масляный насос автоматической коробки передач. Если насос падал или подвергался ударам, заменить его новым.
- Не разбирать электрический масляный насос. Если насос разбирался, необходимо заменить его новым.
- Убедиться в отсутствии силиконового герметика и прочих посторонних материалов в электрической масляном насосе и коробке передач. Наличие подобных загрязнений может стать причиной неисправностей.
1. Повернуть рулевое колесо до упора влево.
2. Отсоединить отрицательную клемму аккумуляторной батареи.
3. Снять левый брызговик.
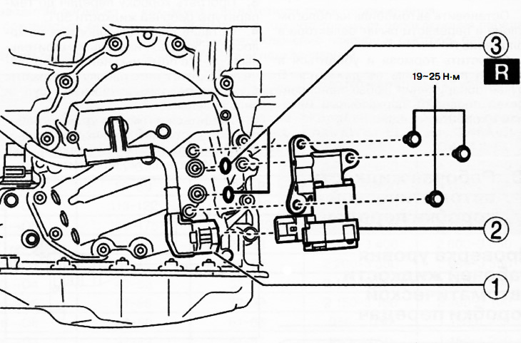
4. Отсоединить разъем электрического масляного насоса, после чего отвернуть болты крепления и снять масляный насос с коробки передач.
1. Разъем электрического масляного насоса.
2. Электрический масляный насос коробки передач.
3. Уплотнительные кольца круглого сечения.
Примечание:заменять деталь новой после каждого снятия.
5. Установка производится в порядке, обратном снятию, с учетом следующего:
Нанести тонкий слой силиконового герметика (ТВ1217Е) на контактные поверхности электрического масляного насоса коробки передач и торцевой крышки.

Внимание.
- Если остатки старого герметика в процессе установки насоса попадут на боковую крышку, может возникнуть нестыковка торцевой крышки и масляного насоса. Очистить контактные поверхности чистящим составом.
- Соблюдать осторожность чтобы не повредить контактные поверхности и установочные гнезда уплотнительных колец круглого сечения.
- Перед нанесением силиконового герметика необходимо тщательно удалить с контактных поверхностей масло.
Установить электрический масляный насос коробки передач до того, как он начнет затвердевать.
6. Отрегулировать уровень рабочей жидкости автоматической коробки передач.
