Примечание. Никогда не снимайте пробку радиатора и не ослабляйте сливную пробку радиатора при работающем или горячем двигателе и горячем радиаторе.
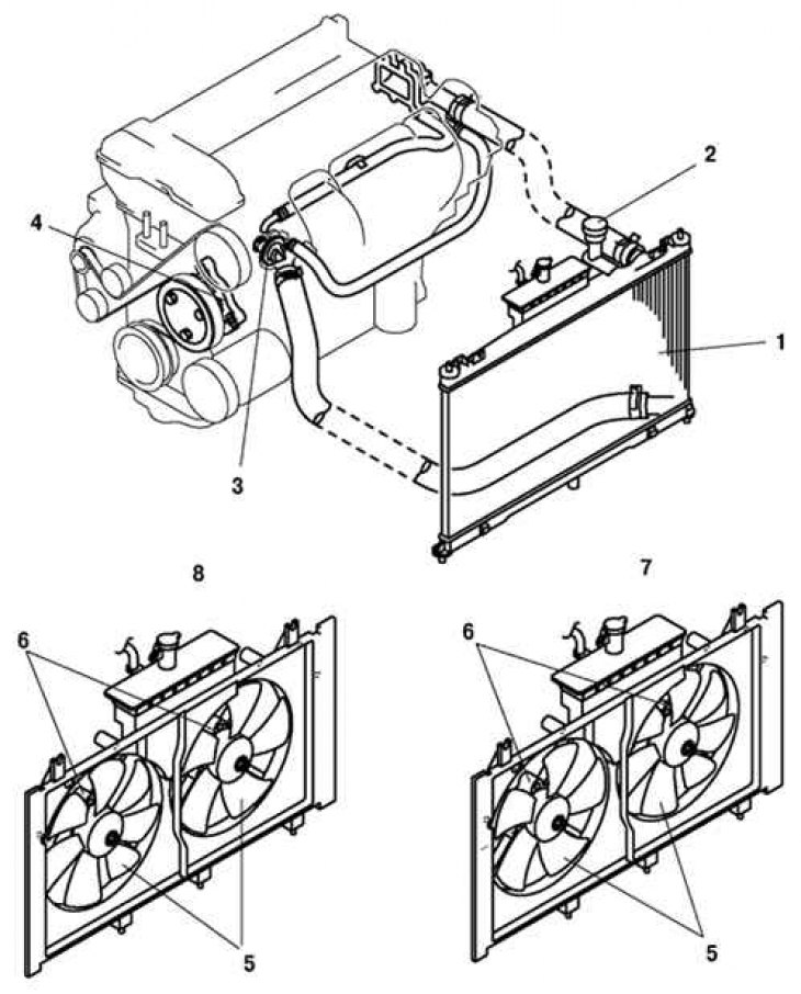
Рис. 2.210. Компоненты системы охлаждения автомобилей Mazda 3: 1 – радиатор; 2 – крышка радиатора; 3 – термостат; 4 – насос охлаждающей жидкости; 5 – лопасть вентилятора системы охлаждения; 6 – двигатель вентилятора системы охлаждения № 1, двигатель вентилятора системы охлаждения № 2; 7 – двигатели L3; 8 – двигатели LF, за исключением двигателей L8
Снимая крышку радиатора, следует проявлять осторожность (рис. 2.210).
Остановите двигатель и дайте ему остыть.
Оберните толстую ткань вокруг крышки и медленно поверните ее против часовой стрелки до первого ограничителя.
Отойдите от радиатора на время сброса давления. Убедитесь, что давление упало, надавите на крышку, не снимая с нее ткани, отверните и снимите ее.
Убедитесь, что уровень охлаждающей жидкости в расширительном бачке находится между метками F и L. Если уровень охлаждающей жидкости – ниже отметки L, снимите пробку радиатора и добавьте охлаждающую жидкость.
