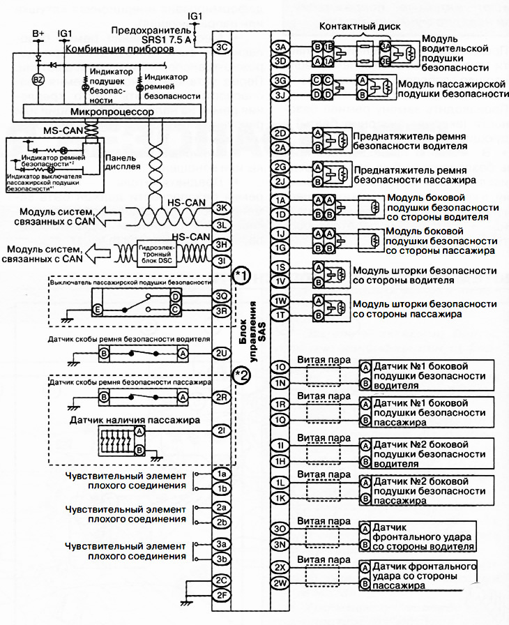
1. Модуль шторки безопасности.
2. Блок управления SAS.
3. Модуль боковой подушки безопасности.
4. Контактный диск.
5. Индикатор деактивации пассажирской подушки безопасности.
6. Модуль подушки безопасности переднего пассажира.
7. Выключатель деактивации пассажирской подушки безопасности.
8. Датчик №2 боковой подушки безопасности.
9. Датчик №1 боковой подушки безопасности.
10. Фронтальные датчики удара.
11. Преднатяжители ремней безопасности.
12. Модуль боковой подушки безопасности.
13. Датчик наличия переднего пассажира.
Система подушек безопасности служит для обеспечения безопасности водителя и пассажиров в дополнение к ремням безопасности. Подушки безопасности не в состоянии обеспечить нужный эффект в случае, если ремни безопасности не будут пристегнуты должным образом.
Меры предосторожности, связанные с системой подушек безопасности и преднатяжителями ремней безопасности (SRS)
Запрещается применение оборудования для диагностики электрических цепей системы SRS, если это не оговорено в настоящем руководстве.
![]() |
![]() |
Перед началом обслуживания элементов системы SRS необходимо выключить зажигание, отсоединить провод от отрицательного вывода аккумуляторной батареи и подождать не менее одной минуты.
В течение трех минут после того, как провод был отсоединен, возможно срабатывание подушек безопасности и преднатяжителей ремней безопасности. Не прикасаться к разъемам любых компонентов системы SRS, по меньшей мере, в течение трех минут после того, как был отсоединен провод от аккумуляторной батареи.
Для правильной ориентации датчики диагностики должны устанавливаться так, чтобы стрелки были обращены в сторону передней части автомобиля. Кроме того, корпус датчика диагностики необходимо осмотреть на предмет наличия трещин, следов деформации или ржавчины и при необходимости заменить.
Контактный диск необходимо установить в положение, соответствующее нейтральному положению рулевого колеса, поскольку свободный ход провода ограничен. Не поворачивать рулевое колесо, если был снят рулевой механизм.
С осторожностью обращайтесь с модулями надувных подушек безопасности. Всегда укладывать модули фронтальных подушек безопасности так, чтобы наружу была обращена часть с декоративной накладкой. Модули боковых подушек следует укладывать так, чтобы вниз была обращена часть со шпилькой.
После выполнения любых операций, связанных с заменой любых компонентов системы SRS, необходимо выполнить проверку работоспособности всей системы.
После срабатывания фронтальной подушки безопасности в случае повреждения приборной панели ее необходимо заменить в сборе.
Панель приборов подлежит обязательной замене в случае срабатывания подушки безопасности переднего пассажира.
Утилизация, повторное использование и транспортировка модулей надувных подушек безопасности и преднатяжителей должны выполняться с соблюдением федерального, государственного и местного законодательств.
Внимание. Всегда помещать модуль подушки безопасности облицовкой вверх.

Внимание.
- Перед обслуживанием системы подушек безопасности выключить зажигание и отсоединить оба провода аккумуляторной батареи, после чего подождать не менее одной минуты.
- Не пытаться ремонтировать или заменять поврежденные элементы разъемов системы подушек безопасности. Если разъем модуля водительской подушки безопасности поврежден, необходимо заменить контактный диск новым.
- Не вставлять посторонние объекты (например, отвертку) в модуль подушки безопасности или разъемы проводов.
- Не разбирать модуль подушки безопасности.
- Не допускать нагрева модуля подушки безопасности до температуры выше 90°C.
- Заменять модуль подушки безопасности новым, если он подвергался ударам или падениям.
- Не допускать попадания масла, смазки или воды на модуль подушки безопасности.
- При обращении с модулями подушек безопасности держать их облицовкой от себя. В противном случае существует риск получения серьезных травм в результате случайного срабатывания подушки безопасности.

Схема системы подушек безопасности



