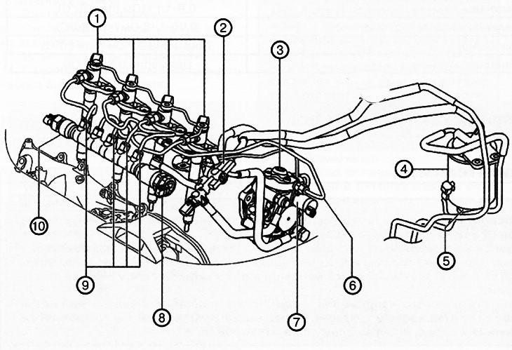
1. Mlaznice za gorivo.
2. Donji dio tijela.
3. Visokotlačna pumpa za gorivo.
4. Filtar goriva.
5. Senzor korita.
6. Visokotlačni vod za gorivo (sa strane pumpe za gorivo).
7. Usisni ventil.
8. Ventil za ograničenje tlaka goriva.
9. Visokotlačni vod za gorivo (sa strane razvodnika goriva).
10. Common Rail razvodnik goriva.
Dijagram sustava napajanja motora
(Izvorni članak je na: «www.MAZbook.ru»)
