MazBook.ru
Română Русский
English
Български
Беларускі
Український
Српски
Hrvatski
Polski
Slovenský
Magyar
• La marcaje • Hartă • Contacte • Căutare:  
Mașini Opel Mașini Ford Mașini Volkswagen Mașini Audi Mașini Kia Mașini Renault Mașini Peugeot
 
 
 
 
 
 
 
Familia Capella Mazda3 Mazda6 CX-? Altele Articole
CX-5KE (2012-2017)

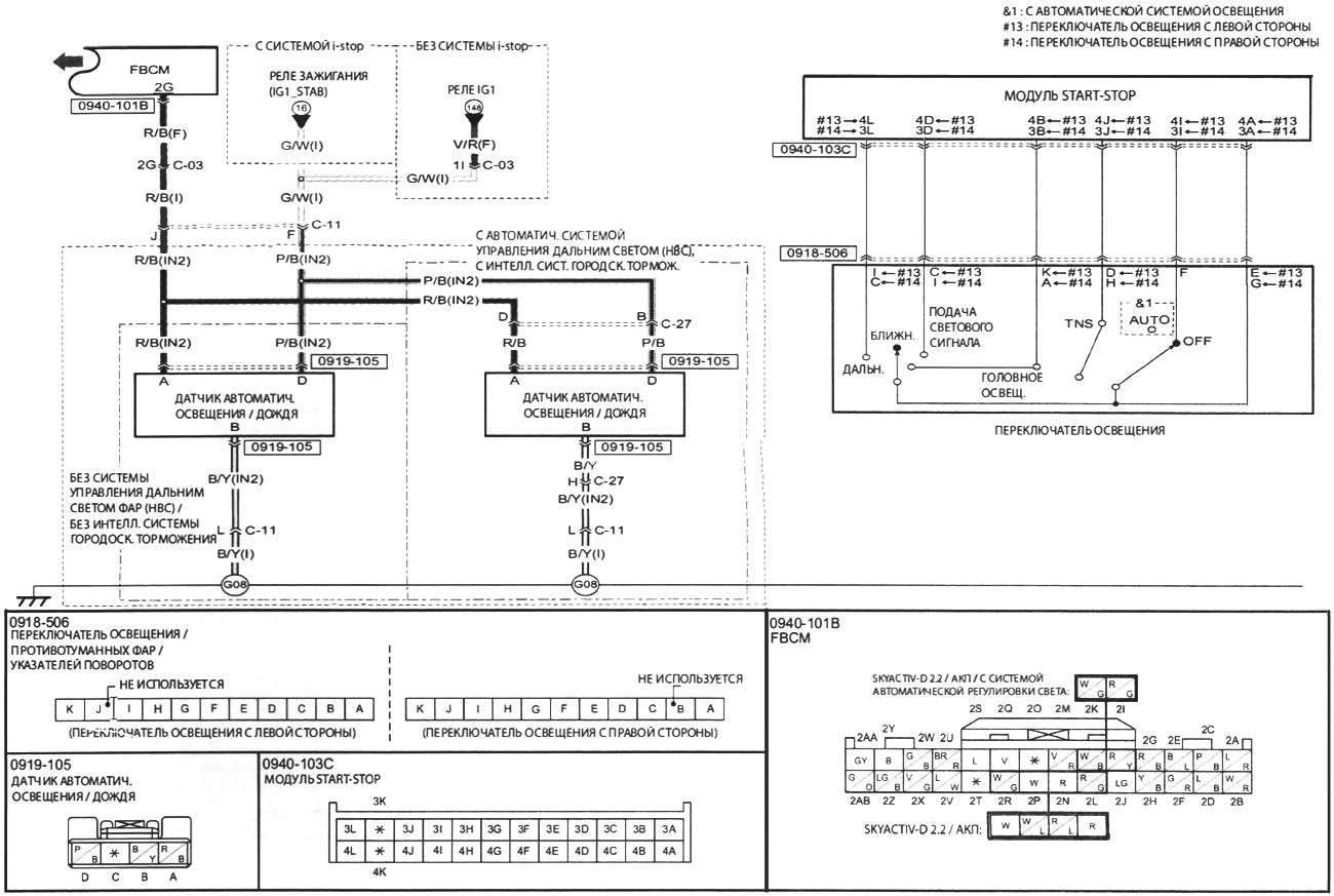
Faruri, faruri cu halogen (Mazda CX-5KE)

  • Principală
  • Mazda CX-?
  • CX 5 KE (2012-2017)
  • Echipament electric
  • Circuite electrice
  • Faruri, faruri cu halogen
0

Faruri, faruri cu halogen




Открыть большую картинку в новой вкладке »



Открыть большую картинку в новой вкладке »


Puteți învăța cum să citiți schemele electrice aici →
Acest articol este disponibil la: rusă, engleză, bulgară, belarusă, ucraineană, sârbă, croată, poloneză, slovacă, maghiară
Acest text a fost verificat de: Evgeny Mereshnikov
Distribuie prietenilor de pe rețelele sociale:

Anterior
CX-5KE » Circuite electrice
Următorul

Schema de încălzire a scaunelor
Lunetă și oglinzi exterioare încălzite
Servodirecție electrică
Sistem de blocare a schimbatorului
Sistem de control al transmisiei automate
Cap de iluminat, lămpile de gaz cu descărcare
Lumini pentru plăcuțele de înmatriculare, lumini de parcare, lumini…
Diagrama luminii de ceață
Indicatoare de direcție și lumini de avarie
Diagrama luminii de marșarier
Mai multe articole despre repararea altor modele Mazda
E-b2. Schema de conectare pentru semnalizatoare laterale, faruri,… Mazda Familia 5 (1985-1989)
Spalator faruri Mazda Capella 3 (1982-1992, benzină)
Faruri cu lămpi cu xenon Mazda3 BK (2003-2009)
Faruri cu lămpi cu xenon Mazda6 GG (2002-2008)
Diagrama 16. Faruri cu corector de lumină Mazda 121 (3) (1996-2003)
Link în diferite formate către acest articol
TEXTHTMLBB Code
Comentarii și feedback de la vizitatori
Niciun comentariu încă


Cât va 31 + 28 ?

       





CX-5KE (2012-2017) 
  • Informații generale
  • Introducere în ghid
  • Manual
  • Întreținere
  • Unitate de putere
  • Motoare pe benzina 2,0 l
  • Motoare pe benzina 2,5 l
  • Motoare diesel 2,2 l
  • Sistem de răcire
  • Sistem de lubrifiere
  • Sistem de alimentare
  • Sistem de control
  • Sistem de admisie si evacuare
  • Echipamente electrice ale motorului
  • Transmitere
  • Ambreiaj
  • Cutie mecanică
  • Cutie automata
  • Caz de transfer
  • Arbori de transmisie si cardan
  • Şasiu
  • Roți și anvelope
  • Suspensie fata
  • Suspensie spate
  • Sistem de franare
  • Sistemul de directie
  • Caroseria
  • Exterior (elemente exterioare)
  • Interior (elementele interne)
  • Sisteme de securitate
  • Incalzire si aer conditionat
  • Echipament electric
  • Echipamente și dispozitive
  • Circuite electrice
MazBook.ru © 2018–2025 · Versiune mobila · Articole și știri · Hartă site-ului: EN BG BY UA RS HR RO PL SK HU · Feedback-ul · Cautarea site-ului · Adăugați la marcaje Familia 5 (BF) · Familia 6 (BG) · Capella 3 (GC) · Capella 3 și 4 (GC) · Capella 5 (GE) · Capella 6 (GF) · Mazda3 BK · Mazda6 GG · CX-5KE · Mazda 121 (3) · Mazda BT-50 (1) ·