Оглавление: Снятие рулевого редуктора с тягами в…⇓ Проверка рулевого редуктора и тяг ⇓ Установка рулевого редуктора с…⇓
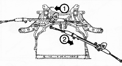
1. Болты крепления релевого редуктора в подрамнику.
2. Рулевой редуктор с тягами в сборе.
Снятие рулевого редуктора с тягами в сборе
Внимание.
- Если перед выполнением следующих процедур предварительно не снять колесные датчики ABS существует риск случайного обрыва проводки. Перед выполнением следующих операций отсоединить разъем колесного датчика ABS (со стороны оси) и зафиксировать проводку в подходящем месте, чтобы случайно не задеть при выполнении работ на автомобиле.
- Зафиксировать рулевое колесо с помощью изоленты или проволоки для предотвращения проворачивания рулевого вала после отсоединения. Если рулевое колесо будет вращаться после отсоединения рулевого вала от рулевого редуктора, могут быть повреждены внутренние части контактного диска.
1. Снять крышку шарнира.
2. Отсоединить промежуточный вал от вала-шестерни рулевого редуктора.
3. Отсоединить провода от передних колесных датчиков ABS, установленных на поворотных кулаках, и убрать в сторону.
4. Снять передний защитный поддон №2.
5. Снять передний защитный поддон №1.
6. Снять брызговик.
7. Снять передний подрамник в сборе (см. главу "Подвеска").
8. Отвернуть болты крепления и, последовательно перемещая рулевой редуктор в направлении стрелок на рисунке, снять его с подрамника.

Проверка рулевого редуктора и тяг
1. Снять рулевой редуктор с тягами в сборе.
2. Снять наконечники рулевых тяг и пыльники.
3. С помощью разводного ключа и динамометра измерить момент сопротивления вращению вала-шестерни рулевого редуктора (примерная скорость измерения составляет 5°/сек):
- Поместить разводной ключ на вал-шестерню рулевого редуктора.

- Измерить расстояние от центра вала-шестерни до края разводного ключа (точки приложения динамометра). Это будет длина А.
- Вычислить момент сопротивления вращению вала-шестерни по следующей формуле:
Момент сопротивления вращению вала-шестерни (Нм) = Измеренное по динамометру значение (Н) х Длина А (м).
Примечание: Момент сопротивления вращению вала-шестерни (от центра рейки ±180°): 1.0-1.6 Нм.
4. Если полученное значение не соответствует норме, заменить рулевой редуктор новым.
Установка рулевого редуктора с тягами в сборе
Установка производится в порядке, обратном снятию.
После установки необходимо проверить углы установки управляемых колес автомобиля (см. главу "Подвеска").
