

Poznámka:
- Po inicializácii systému monitorovania tlaku v pneumatikách sa spustí proces učenia a skončí sa po 20 minútach jazdy vozidla.
- Kým nie je systém monitorovania tlaku v pneumatikách vyškolený, jeho primárne funkcie nebudú fungovať.
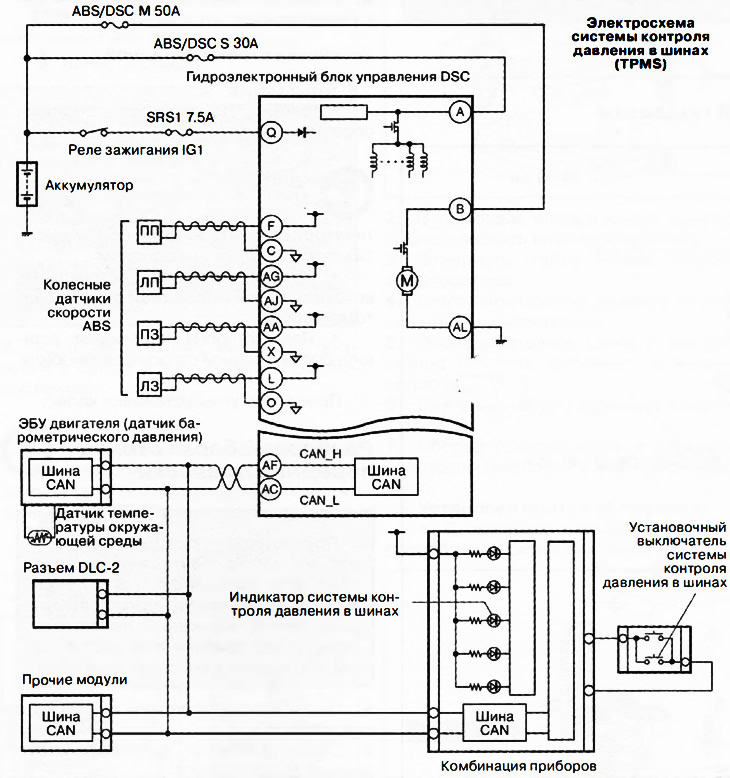
Kontrola spínača nastavenia systému monitorovania tlaku v pneumatikách (TPMS)
1. Odstráňte inštalačný spínač TPMS spolu s blokom spínačov z prístrojovej dosky.
2. Uistite sa, že odpor medzi svorkami B a C inštalačného spínača TPMS zodpovedá hodnote uvedenej v tabuľke. Ak nameraný odpor nie je správny, vymeňte prepínač nastavenia TPMS.
Systém monitorovania tlaku v pneumatikách (TPMS) je diagnostikovaný palubným diagnostickým systémom uložením príslušných chybových kódov do pamäte ECU.
Inicializácia systému monitorovania tlaku v pneumatikách
Poznámka:
Inicializácia systému monitorovania tlaku v pneumatikách je potrebná po vykonaní nasledujúcich operácií:
- Po úprave tlaku v pneumatikách.
- Po výmene pneumatík alebo diskov.
- Po otočení pneumatík na vašom aute.
- Po výmene hydroelektronickej riadiacej jednotky DSC.
- Po odpojení hydroelektronickej riadiacej jednotky DSC.
- Po výmene batérie.
- Po odpojení záporného pólu batérie.
1. Umiestnite vozidlo na bezpečné miesto na rovný povrch.
2. Upravte tlak vo všetkých štyroch pneumatikách na normálnu hodnotu (nastavenie tlaku by sa malo vykonávať, keď sú pneumatiky studené).
3. Zapnite zapaľovanie (motor vypnutý alebo zapnutý).
4. Stlačte a podržte spínač nastavenia systému monitorovania tlaku v pneumatikách, kým indikátor systému 1- alebo 2-krát nezabliká a 1-krát nezaznie klaksón.

3. Pripojte napätie batérie na svorku J prepínača nastavenia TPMS a pripojte svorku 1 k uzemneniu.
4. Uistite sa, že LED dióda spínača svieti. Ak sa LED nerozsvieti, vymeňte prepínač nastavenia TPMS za nový.
