Atenţie. Respectați măsurile de siguranță atunci când lucrați cu sistemul de răcire a motorului.
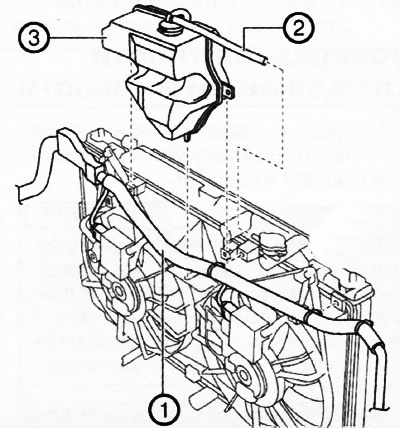
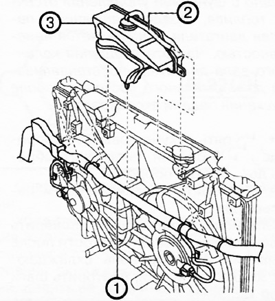
1. Scoateți cablajul (1).
Versiuni cu motoare pe benzina
Versiuni diesel
2. Deconectați furtunurile (2) de la rezervorul de expansiune.
Text preluat de pe o platformă online [MazBook.ru]
3. Scoateți rezervorul de expansiune al sistemului de răcire (3).
Notă: Scoateți rezervorul de expansiune a lichidului de răcire din cârligele carcasei radiatorului prezentate în ilustrație, scoțându-le cu o șurubelniță cu cap plat.
Versiuni cu motoare pe benzina
Versiuni diesel
4. Instalarea se efectuează în ordinea inversă a demontării.
