Uwaga. Przylutuj szybko styki lutownicą, w przeciwnym razie diody (prostowniki) i tranzystory mogą zostać uszkodzone w wyniku przegrzania.
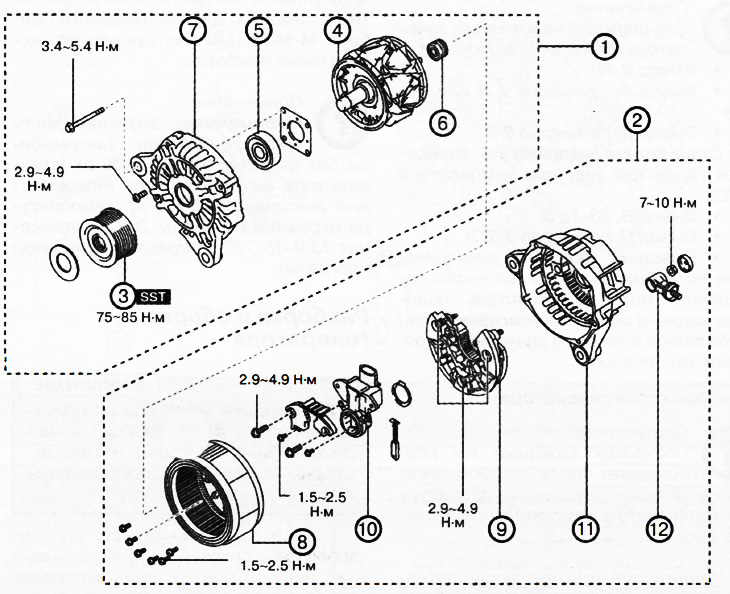
Demontaż i montaż generatora przeprowadza się według poniższego rysunku ogólnego w kolejności numeracji.
Generator silnika benzynowego:
1. Zespół wirnika.
2. Montaż stojana.
3. Koło pasowe.
4. Wirnik.
5. Łożysko przednie.
6. Łożysko tylne.
7. Przednia okładka.
8. Uzwojenie stojana.
9. Prostownik.
10. Zespół regulatora.
11. Tylna okładka.
12. Zacisk B zmontowany.
Generator silnika wysokoprężnego:
1. Zespół wirnika.
2. Zespół uzwojenia stojana.
3. Koło pasowe.
4. Wirnik.
5. Łożysko przednie.
6. Łożysko tylne.
7. Przednia okładka.
8. Uzwojenie stojana.
9. Prostownik.
10. Zespół regulatora.
11. Tylna okładka.
12. Zacisk B zmontowany.
Notatka:używaj specjalnych narzędzi lub urządzeń.
[Szczegóły dostępne na stronie internetowej MAZBOOK]
