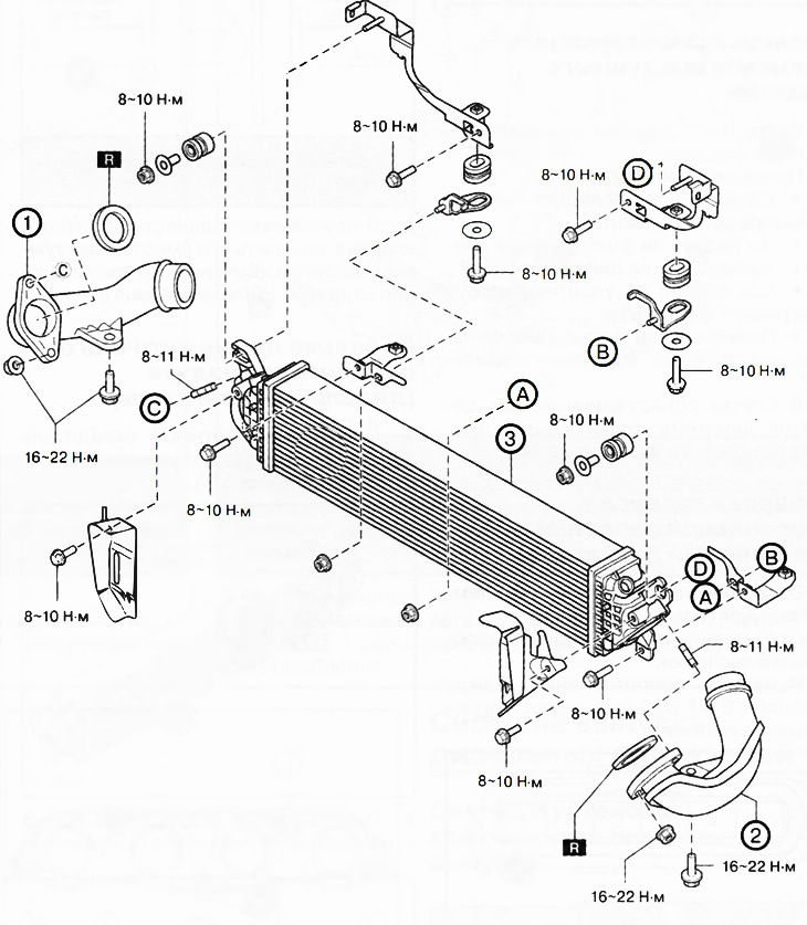
1. Kanał wylotowy powietrza z intercoolera.
2. Kanał wlotowy powietrza do intercoolera.
3. Chłodnica powietrza.
Notatka:po każdym demontażu część należy wymienić na nową.
1. Odłącz ujemny zacisk akumulatora.
2. Zdemontuj przedni zderzak.
3. Odłącz przewody wylotu i wlotu powietrza doładowującego.
4. Odkręcić śruby mocujące i nakrętki i wyjąć chłodnicę powietrza doładowującego z pojazdu.
5. Montaż odbywa się w odwrotnej kolejności do demontażu, z uwzględnieniem:
Zamontuj śruby i nakrętki pokazane na rysunku.

Dokręcić śruby i nakrętki mocujące intercooler w kolejności pokazanej na ilustracji.

