Wyjmowanie i instalacja elementów układu wydechowego
Uwaga.
- Gorący silnik i elementy układu wydechowego mogą powodować różne oparzenia. Przed demontażem elementów układu wydechowego wyłącz silnik i poczekaj, aż ostygnie.
- Wymontuj/zamontuj czujnik temperatury spalin tylko wtedy, gdy konieczne jest jego sprawdzenie lub wymiana, np. gdy pojawią się kody usterek. Każdorazowe wymontowanie czujnika temperatury spalin może skutkować nieszczelnością rury wydechowej, dlatego po ponownym zamontowaniu czujnika należy zadbać o to, aby nie doszło do wycieków spalin.
Notatka:
- Jeżeli na tablicy przyrządów zaświeci się kontrolka filtra cząstek stałych, przed wymontowaniem jakichkolwiek elementów układu wydechowego należy wykonać procedurę regulacji filtra cząstek stałych i ręcznej regeneracji.
- Jeżeli kontrolka DPF na tablicy rozdzielczej zacznie migać, sprawdź, czy nie ma usterek w układzie DPF.
- W przypadku wymiany katalizatora na nowy należy wykonać procedurę inicjalizacji filtra cząstek stałych.
1. Odłącz ujemny zacisk akumulatora.
2. Wymontuj elementy układu wydechowego w kolejności pokazanej na zdjęciach.
Wersje z napędem na przednie koła (2WD):
1. Tłumik główny.
2. Talerz.
3. Wspornik.
4. Poprzeczka tunelu.
5. Środkowa część rury wydechowej.
Wersje z napędem na wszystkie koła (4WD):
1. Tłumik główny.
2. Środkowa część rury wydechowej.
Notatka:po każdym demontażu część należy wymienić na nową.
1. Izolator.
2. Izolator katalizatora.
3. Wąż wydechowy
4. Górny wspornik katalizatora.
5. Dolny wspornik katalizatora.
6. Katalizator.
Notatka:po każdym demontażu część należy wymienić na nową.
Uwaga: Izolator tylnego wydechu montowany jest na nitach, które należy wywiercić w celu usunięcia izolatora za pomocą wiertła 5 mm.

Uwaga: Podczas demontażu katalizatora należy odłączyć złącza czujników temperatury spalin nr 1 i nr 2 oraz złącze czujnika mieszanki paliwowo-powietrznej.
3. Aby zainstalować katalizator, wykonaj następujące czynności:
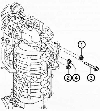
Zamontuj śrubę i nakrętki pokazane na rysunku.

Dokręcić śrubę i nakrętki w kolejności pokazanej na rysunku momentem obrotowym 38-51 Nm.

Zamontuj śruby 1 i 2, jak pokazano na rysunku.

Dokręcić śruby momentem 1 do 38-51 Nm.
Dokręcić śrubę 2 momentem 38-51 Nm.
Zamontuj śruby 3 i 4, jak pokazano na rysunku.

Dokręcić śruby 3 i 4 momentem 38-51 Nm.
Zamontować śruby 5 i 6 pokazane na rysunku.

Dokręcić śruby 5 i 6 momentem 38-51 Nm.
Po montażu sprawdź ponownie, czy momenty dokręcania wszystkich elementów złącznych są prawidłowe.
7. Dalszy montaż odbywa się w odwrotnej kolejności do demontażu.
