2.9.1. Снятие и установка выпускного коллектора
При снятии и установке выпускного коллектора соблюдаются следующие моменты:
- Гайки соединения фланцев между коллектором и выхлопной трубой нужно перед отвинчиванием обрызгать средством от ржавчины, т. к. существует опасность, что болты могут сломаться.
- Всегда менять уплотнение, если коллектор отвинчивают от головки блока цилиндров.
- Гайки фланца коллектора равномерно затянуть накрест с моментом затяжки 45 Нм.
2.9.2. Снятие и установка выхлопной трубы
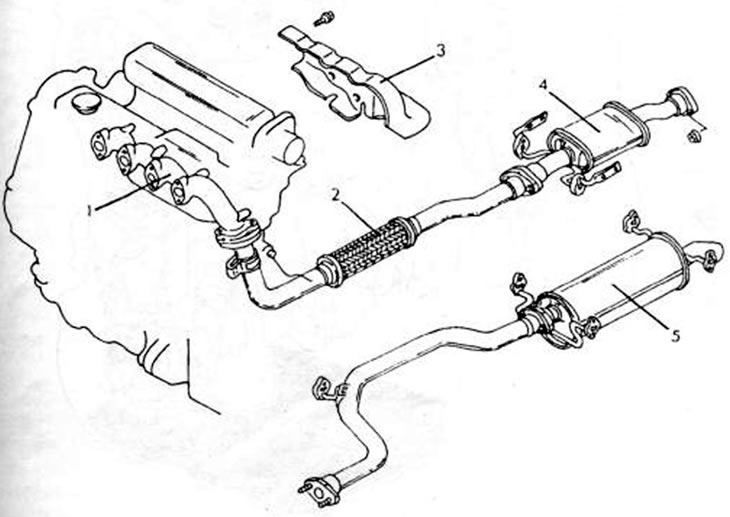
Снятие и установка не вызывает никаких трудностей. На рис. 107 показана система выпуска отработанных газов так, как она установлена с катализатором в бензиновом двигателе. У насосно-карбюраторного двигателя в выпускной коллектор вставлен выхлопной трубопровод. Предусмотрена установка для двигателя работающего на бензине, не содержащего свинца, вместо катализатора с дополнительным глушителем. Система выпуска отработанных газов для дизельного двигателя показана на рис. 108. Особенно нужно соблюдать следующие моменты:
Рис. 107. Монтажный рисунок системы выпуска отработанных газов с катализатором. Труба, показанная в выноске, устанавливается в ступенчатой коробке передач. 1. Гайка, 25 Нм; 2. Гайка, 45 Нм; 3. Гайка, 42 Нм; 4. Дополнительный глушитель; 5. Гайка, 38 Нм; 6. Передняя выхлопная труба; 7. Зажим подвески; 8. Верхняя теплозащитная крышка; 9. Гайка, 65 Нм; 10. Нижняя теплозащитная крышка; 11. Гайка, 10 Нм; 12. Гайка, 45 Нм; 13. Резиновая подвеска; 14. Основной глушитель; 15. Средняя выхлопная труба.
Рис. 108. Монтажный рисунок. Системы выпуска отработанных газов дизельного двигателя. 1. Выпускной коллектор; 2. Средняя выхлопная труба; 3. Теплозащитная крышка; 4. Дополнительный глушитель; 5. Дополнительный глушитель
- Постоянно нужно менять уплотнение между выпускным коллектором и выхлопной трубой.
- Затянуть быстродействующие болты и гайки с моментом затяжки, данном на рис. 107.
- После установки запустить двигатель и проверить на холостом ходу, чтобы никакие детали системы выпуска отработанных газов не ударялись о другие детали. Кроме того, нужно проверить, достаточно ли имеется места между деталями выхлопной системы и деталями кузова.
