Оглавление: 2.8.1.1. Стандартный двигатель ⇓ 2.8.1.2. DОНС-двигатель ⇓ 2.8.1.3. Дизельный двигатель ⇓
2.8.1.1. Стандартный двигатель
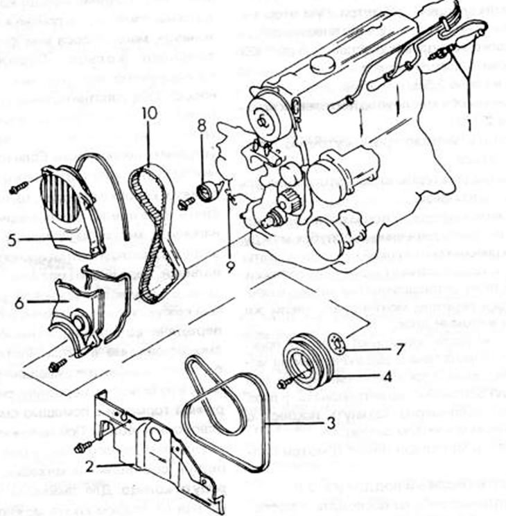
Пользуясь рисунком 106:
- Снять привод свечой зажигания и свечи вывернуть.
- Отвинтить щиток (2) сбоку двигателя.
- Ослабить натяжение клинового ремня на установочной скобе бесщеточного генератора переменного тока.
- Снять клиновой ремень.
- Провернуть шкив ременной передачи коленчатого вала, пока прорезь в шкиве не станет против маркировки ОТ. Проверить, имеет ли зазор коромысло первого цилиндра. В ином случае двигатель нужно прокручивать еще.
- Вывинтить болты крепления шкива ременной передачи на конце коленчатого вала. Двигатель при этом нужно подходящим способом блокировать от проворачивания. Лучше всего при отключенном ручном тормозе включить передачу.
- Отвинтить обе защитные крышки привода и снять направляющий щиток.
Рис. 106. Детали для снятия зубчатого ремня у стандартного бензинового двигателя 1. Провод зажигания свечи 2. Боковой щиток двигателя 3. Приводной ремень 4. Шкив ременной передачи коленчатого вала; 5. Верхняя крышка зубчатой ременной передачи; 6 Нижняя крышка зубчатой ременной передачи; 7. Направляющий козырек; 8. Натяжное устройство зубчатого ремня; 9. Пружина, натяжное устройство ременной передачи; 10. Зубчатый ремень
Указание. Если поверхность трения маховика поцарапана, например, при смене скользящих соединений, маховик нужно заменить.
Внимание. После снятия зубчатого ремня коленчатый или кулачковый вал не проворачивать, т. к. в противном случае поршни будут ударять по клапанам.
- Провернуть коленчатый вал, пока маркировка на шестерне распределительного вала не станет на одну линию с маркировкой на щитке. У FE-двигателя она должна сравняться с маркировкой 2, у других двигателей — с маркировкой 3. Рис. 65 показывает установленную приводную шестерню.
- Обозначить краской на противоположной стороне соотношение между шестерней распределительного вала и зубчатым ремнем на верхней стороне шестерни.
- Освободить натяжной ролик и отвести наружу, пока зубчатый ремень освободится настолько, чтобы его можно было снять.
- Отсоединить пружину и отвинтить натяжной ролик ременной передачи.
- Приводную шестерню отсоединить от коленчатого вала и снять, если ее нужно заменить. То же самое касается приводной шестерни распределительного вала. Коленчатый или распределительный вал удерживать удобным способом. Ремень с побитыми зубьями нужно заменить. Другими повреждениями являются царапины, истирания на боках или скругление одного или всех зубьев. В этом отношении приводные шестерни тоже нужно контролировать. Взять одной рукой устройство для натяжения ремня, а другой повернуть ролик. Если имеются места тяжелого хода, нужно заменить натяжное устройство. При установке зубчатого ремня выверять регулировочные обозначения, как это описано при установке головки блока цилиндров для этого двигателя. После того как эта работа будет выполнена, восстановить натяжение зубчатого ремня.
2.8.1.2. DОНС-двигатель
- Снятие зубчатого ремня осуществляется подобно тому, как это описано для стандартного двигателя однако нужно соблюдать разницу, которая видна на рис. 30.
- Перед снятием свечей зажигания снять крышку со средней части головки блока цилиндров. Для этого нужно освободить колпачковые гайки.
- Отвинтить зажим подвески двигателя от верхней защитной крышки приводного ремня передачи перед тем, как будет снята крышка.
- Провернуть коленчатый вал. пока шестерни с управляющими знаками не сравняются с прорезью на противоположном щитке. На одном валу должна быть проставлена буква I (входной вал), а на другом — Е (выходной вал). На рис. 69 показана выверка приводных шестерней, но без зубчатого ремня
- Ослабить теперь похожим способом ремень, как списано в последней главе. Указания, относящиеся в последней главе к зубчатому ремню, годятся также для этого двигателя. При установке зубчатого ремня выверять управляющие знаки, как это было описано для установки головки блока цилиндров этого двигателя. После того как были проведены эти работы, восстановить натяжение зубчатого ремня.
2.8.1.3. Дизельный двигатель
- На рис. 34 показаны отдельные детали распределительного механизма этого двигателя и работы нужно проводить, пользуясь этим рисунком.
- Отвинтить защитный щиток с внутренней части крыла.
- Ослабить натяжение ремня и приводного ремня бесщеточного генератора переменного тока и снять компрессор возможно установленного кондиционера.
- Блокировать удобным способом двигатель от проворачивания (включить передачу) и отвинтить шкив ременной передачи от последней части коленчатого вала. Снять шкив ременной передачи.
- Отвинтить приводной ролик ремня генератора.
- Освободить подвеску двигателя с торцовой стороны и снять зажим подвески. Для этого нужно с помощью троса и подъемного механизма, подвесив двигатель за переднюю проушину, вынутого из подвески, освободить подвеску от нагрузки.
- Провернуть коленчатый вал, пока показанные на рис. 73 уплотняющие знаки не сравняются. Ведущую шестерню топливного насоса высокого давления нужно блокировать двумя болтами длиной 35-40 мм, которые при правильной установке легко вкручиваются в резьбу на консоли.
- Ослабить натяжное устройство и надавить наружу, пока не освободится зубчатый ремень.
- Приводной ролик отвинтить на верхней стороне и снять зубчатый ремень после того, как будет обозначено стрелкой на ремне направление движения.
Все, что в главе 2.8.1 было сказано о зубчатом ремне, годится для зубчатого ремня дизельного двигателя.
При постановке зубчатого ремня выверять управляющие знаки, как это описывается при установке блока цилиндров для этого двигателя. После того как были проведены эти работы, восстановить натяжение зубчатого ремня. При замене зубчатого ремня нужно соблюдать следующие правила:
- Зубчатый ремень нельзя больше рассматривать как новый после того, как он проработал 5 минут.
- После установки зубчатого ремня проверить, чтобы зубья ремня и всех приводных шестерней находились в зацеплении
- Перед тем как опять закрыть двигатель, проконтролировать нижний ожив ремонтной передачи, чтобы зубчатый ремень не соскочил с зубьев.
- После установки двигатель около 5 минут заставить работать и проверить натяжение. Ремень растягивается в первые минуты.
Исходный текст опубликован на MAZbook.ru
