Рис. 30. Детали управления у двигателя с двумя распределительными валами: 1. Шкив ременной передачи коленчатого вала; 2. Верхний предохранитель зубчатого ремня; 3. Нижний предохранитель зубчатого ремня; 4. Направляющий колпачок; 5. Натяжное приспособление для ремня и пружина; 6. Приводной ролик зубчатого ремня; 7. Зубчатый ремень; 8. Пригодные колеса распределительного вала; 9. Приводное колесо коленчатого вала
- Коленчатый вал удерживать от проворачивания и отпустить болты шкива ременной передачи. Вынуть шкив ременной передачи (1).
- Верхнюю (2) и нижнюю (3) предохранительные крышки зубчатого ремня отвинтить и вынуть оба уплотнения.
- Снять направляющий колпачок (4) с конца коленчатого вала.
- Отпустить болт посредине устройства для натяжения ремня управления (5), снять пружину и как можно дальше вдавить устройство внутрь.
- Карандашом обозначить направление вращения ремня на его наружной стороне в случае, если его опять будут применять, и ремень снять с приводных шкивов. Держать ремень вдали от масла, жира и других едких веществ или жидкостей. При этом нужно следить, чтобы он не изгибался и не соприкасался с маслом, водой или другими вредными веществами. Лучше всего повесить ремень на гвоздь.
- Если необходимо, отвинтить приводной ролик (6) для зубчатого ремня.
- Отпустить болты обоих шкивов зубчатой передачи распределительных валов с помощью накладного гаечного ключа. Для этого вставить стержень в паз шкива ременной передачи, как показано на рис. 31. с тем, чтобы он не провернулся.
Рис. 31. Освобождена болтов приводных колес у DОНС-двигателя
- Шкив ременной передачи (8) снять с распределительного вала.
- Передний кожух отвинтить сзади шкива ременной передачи.
- Маховик опять удерживать, как это было указано выше, и отпустить болт приводного колеса коленчатого вала. Приводное колесо (9) осторожно отжать от коленчатого вала с помощью двух противоположно направленных лопаток для монтажа шин или применить подходящий съемник для демонтажа.
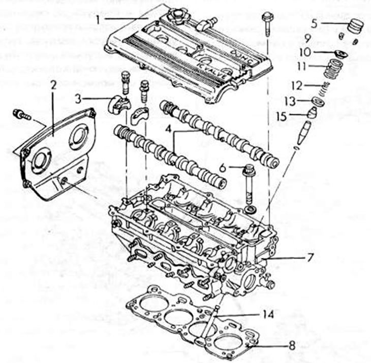
- Съем головки блока цилиндров осуществляется следующим образом. Рис. 32 показывает монтажный рисунок головки блока цилиндров и может быть использован в работе:
Рис. 32. Монтажный рисунок головки блока цилиндров DOHC-двигателя. 1. Кожух головки блока цилиндров; 2. Защитная крышка; 3. Крышка подшипника распределительного вала; 4. Распределительный вал; 5. Гидравлический толкатель; 6. Болт головки блока цилиндров; 7. Головка блока цилиндров; 8. Уплотнение головки блока цилиндров; 9. Сухари клапана; 10. Верхняя тарелка пружины клапана; 11. Внешняя пружина клапана; 12. Внутренняя пружина клапана; 13. Нижняя пружина клапана; 14. Клапан; 15. Уплотнительное кольцо стержня клапана
- Постепенно отпускать крепящие болты крышек подшипника распределительных валов (3) и оба распределительных вала вынуть из головки блока цилиндров.
- Гидравлические толкатели (5) вынуть и разложить в последовательности сборки.
- Пользуясь рис. 33. освободить болты головки блока цилиндров в указанном порядке в несколько приемов. В случае, если головка блока цилиндров не вынимается, можно вставить отвертку между выступом на головке и блоком цилиндров и надавить на головку. Ни в коем случае не пытайтесь вставить отвертку между уплотняющими поверхностями, чтобы нажать на головку.
Рис. 33. Последовательность освобождения болтов головки блока цилиндров у DOHC-двигателе
- Вынуть уплотнение головки блока цилиндров.
- Оставшийся блок цилиндров выглядит теперь как блок двигателя с распределительным валом и с ним можно соответственно обращаться. В главе 2.2.1 описаны остальные работы по разборке.
