У бензинового двигателя:
- Переднюю часть двигателя поставить на козлы.
- У стандартного двигателя отвинтить упор для проворачивания двигателя. Болты сверху и с боков вставить в блок цилиндров.
- У стандартного двигателя отвинтить щиток под картером сцепления.
- При установленном 4-х колесном управлении отвинтить усилительный лист под масляным поддоном.
- Переднюю выпускную трубу отвинтить от патрубка и опустить установку выпуск отработанных газов, не ставя трубу под давление.
- Трос или цепь подложить под переднюю часть двигателя и концы повесить на подъемный механизм. Медленно поднимать двигатель, пока подшипники вала двигателя находятся под нагрузкой.
- Освободить подвеску двигателя на его передней части.
- Переднюю часть двигателя поднять как можно дальше, не ставя при этом другие детали под нагрузку.
- У стандартного двигателя ослабить болты масляного поддона и осторожно вставить отвертку между ним и блоком цилиндров, чтобы отжать поддон. Поддон на передней части повернуть влево и поднять между блоком цилиндров и выпускной трубой.
- Отвинтить сетку маслозаборной трубки.
- У стандартного двигателя снять усилительную пластину между блоком цилиндров и масляным поддоном.
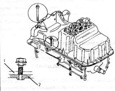
- У DOHC-двигателя масляный поддон можно не отжимать, а освобождать следующим образом:
— после освобождения болтов поддона болты (А) ввернуть на обеих сторонах в резьбовые отверстия (В);
— оба болта равномерно затянуть, пока масляый поддон не будет отжат от блока цилиндров. Усилительная пластина у этого двигателя не устанавливается.
Рис. 109. Диаграмма смазки стандартного двигателя
Рис. 110. Подробности снятия масляного поддона DOHC-двигателя. Заметить болты (А) в место (В) (на обеих сторонах) и отжать поддон. Что возможно благодаря ззтяжке болтов. 1. Масляный поддон; 2. Блок цилиндров
У дизельного двигателя:
- Кроме моторного масла, слить также охладительную жидкость.
- Двигатель поднять с помощью троса и подъёмника и отвинтить траверсу от нижней части кузова.
- Отвинтить на левой стороне упор против проворачивания.
- Крышу отвинтить от картера сцепления.
- Снять водопровод на нижней части масляного поддона.
- Ответить поддон и отвертку осторожно вставить в разъем, чтобы снять поддон. При этом стараться не нанести повреждений.
- Отвинтить сетку маслозаборной трубки с южной части картера и снять ее. Очистить магнитную пробку сливного отверстия и проверить поверхность масляного поддона на короблке. Установка поддона осуществляется в обратной последовательности при соблюдении следующих моментов:
- Все уплотнительные поверхности основательно очистить от остатков старого уплотнения или герметика.
- Привинтить маслозаборную трубку на блок цилиндров. Болты затянуть на 8-12 Нм.
- Масляный поддон бензинового двигателя устанавливается с герметиком. Герметик по кругу наносится на уплотнительную поверхность масляной ванны. Если устанавливается усилительная пластина, с ней поступают так же и закрепляет на блоки цилиндров.
- Масляный поддон дизельного двигателя можно монтировать как с уплотнением, так и без него. Если уплотнение применяется, нужно смазать герметиком места, показанные на рис. 112, после чего положить уплотнение поддона.
- Установить масляный поддон. При этом следить, чтобы уплотнение (если оно применяется) не было перекошено. Болты равномерно затянуть накрест с моментом затяжки 7-12 Нм.
- После затяжки болтов сразу ввернуть пробку слепого отверстия и затянуть ее.
- Все другие работы провести в обратной последовательности. На рис. 111 показаны моменты затяжки разлитых деталей. У дизельного двигателя затянуть траверсу на 36-54 Нм и упор против проворачивания на 37-52 Нм
- Двигатель заменить предписанным количеством масла. Если нет точного мерного сосуда, можно наливать масло до тех пор, пока уровень не установится на отметке "Мин" на указателе уровня масла. После этого запустить двигатель и долить следующий литр масла, пока его уровень достигнет отметки "Мах" на указателе уровня масла. Для дизельного двигателя несомненно нужно наливать соответствующее ему масло.
- После замены уплотнения масляного поддона нужно всегда проверить его. Т. к. могут образоваться негермегичные моста. Поэтому после прогрева двигателя автомобиль еще раз нужно впереди ненадолго наклонить и снизу проверить все уплотнительные соединения.
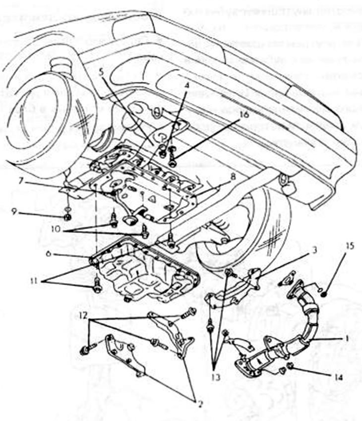
Рис. 111. Подробности снятия и установки масляного поддона у бензинового двигателя 1. Выхлопная труба; 2. Упоры против проворачивания; 3. Щиток картера сцепления; 4. Болты, 75-93 Нм; 5. Траверса; 6. Масляный поддон; 7. Сетка маслозаборной трубки; 8. Усилительная плаха; 9. Гайка, 75-93 Нм; 10. Болты, 7-12 Нм; 11. Болты, 7-12 Нм; 12. Болты, 37-52 Нм; 13. Болты, 8-11 Нм; 14. Гайка, 64-89 Нм; 15. Гайка, 31 46 Нм; 16. Болты, 36-54 Нм
Рис. 112. При применении уплотнения (дизельный двигатель) четыре угла смазываются герметиком.
