Зняття та встановлення паливного фільтра
Увага!.
- Течі паливопроводів знаходиться під тиском системи небезпечні. Паливо може запалати і заподіяти пошкодження обладнання, серйозні травми або навіть загибель людей. Крім того, паливо може потрапити на шкіру та очі людини. Для запобігання цього необхідно обов'язково проводити процедуру скидання тиску в системі живлення.
- Людина, яка несе на собі заряд статичної напруги, може стати причиною займання або вибуху, які можуть призвести до загибелі або серйозних травм. Перед виконанням робіт на паливній системі необхідно зняти із себе статичний заряд, торкнувшись кузова автомобіля.
- Якщо на деталі двигуна потрапить паливо, це може порушити працездатність цих компонентів або спричинити пожежу. Обов'язково видаляти будь-яке паливо чистим ганчір'ям.
- Якщо паливо не проходить через паливний фільтр, це може спричинити несправність системи живлення. У зв'язку з цим слід стежити, щоб паливні шланги були встановлені неправильно. Обов'язково виконувати процедури після обслуговування системи живлення (див. відповідний розділ вище) перед встановленням паливних шлангів.
1. Від'єднайте негативну клему акумулятора.
2. Виконати процедуру підготовки до обслуговування живлення.
3. Зніміть декоративну кришку двигуна.
4. Зняти акумулятор.
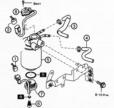
5. Зняти компоненти у вказаній на малюнку послідовності.
1. Роз'єм датчика відстійника.
2. Роз'єм підігріву палива (версії з підігрівом палива).
3. Основний паливний шланг №1.
4. Головний паливний шланг №2.
5. Паливний фільтр.
6. Корок зливного отвору.
7. Датчик відстійника.
8. Підігрів палива (версії з підігрівом палива).
6. Установка проводиться у порядку, зворотному зняттю.
7. Виконати процедуру видалення повітря із паливопроводів.
Перевірка паливного фільтра
Увага!.
- Течі паливопроводів знаходиться під тиском системи небезпечні. Паливо може запалати і заподіяти пошкодження обладнання, серйозні травми або навіть загибель людей. Крім того, паливо може потрапити на шкіру та очі людини. Для запобігання цього необхідно обов'язково проводити процедуру скидання тиску в системі живлення.
- Людина, яка несе на собі заряд статичної напруги, може стати причиною займання або вибуху, які можуть призвести до загибелі або серйозних травм. Перед виконанням робіт на паливній системі необхідно зняти із себе статичний заряд, торкнувшись кузова автомобіля.
Візуально переконатися у відсутності тріщин, пошкоджень чи іржі на паливному фільтрі. Наявність тріщин або пошкоджень може бути причиною витоку палива. При виявленні будь-яких дефектів замінити паливний фільтр на новий.
Злив води з паливного фільтра
1. Зніміть паливний фільтр.
2. Послабити пробку зливного отвору у нижній частині паливного фільтра.
3. Злити воду.
4. Після зливу води із фільтра надійно затягнути пробку зливного отвору від руки.
Перевірка підігріву палива
1. Від'єднайте негативну клему акумулятора.
2. Виконати процедуру підготовки до обслуговування живлення.
3. Зняти нагрівальний елемент із паливного фільтра.
4. Підключити вакуумний насос до підігрівача палива.
5. Створивши розрідження 26.7-40.0 кПа в підігрівачі палива, виміряти опір між виведенням і корпусом підігрівача.

Примітка. Номінальний опір підігрівача палива: 0.5-2.0 Ом.
6. Якщо виміряне значення не відповідає нормі, замінити підігрівач палива на новий.
Перевірка датчика відстійника
1. Від'єднайте негативну клему акумулятора.
2. Виконати процедуру підготовки до обслуговування живлення.
3. Злити паливо із паливного фільтра.
4. Зняти датчик відстійника.
5. Переконатися у відсутності провідності ланцюга при витягнутому поплавці.
Якщо ланцюг замкнутий, замінити датчик відстійника на новий.

