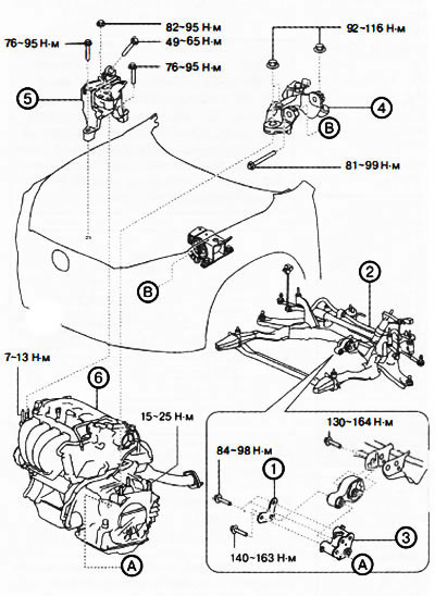
Версии само с предно задвижване (2WD):
1. Плоча на скобата.
2. Предна подрама с опорна подложка за закрепване на двигателя № 1.
H. Опорна скоба за монтиране на двигателя № 1.
4. Опорна скоба за монтиране на двигателя № 4.
5. Опора за монтиране на двигателя № 3.
6. Сглобяване на захранващия блок.
Версии със задвижване на всички колела (4WD):
1. Плоча на скобата.
2. Предна подрама с опорна подложка за закрепване на двигателя № 1.
3. Опорна скоба за монтиране на двигателя № 4.
4. Монтажна опора на двигателя № 3.
5. Сглобяване на захранващия блок.
Внимание.
- Горещ двигател и масло могат да причинят изгаряния. Внимавайте да не се изгорите, когато демонтирате/инсталирате различни компоненти.
- Горивните пари са опасни. Те са силно запалими, причиняват сериозни наранявания и повреда на оборудването. Дръжте искрите или откритите пламъци далеч от горивото.
- Закрепете волана с електрическа лента или тел, за да предотвратите завъртане на кормилния вал след разкачване. Ако воланът се върти, след като кормилният вал е изключен от кормилната кутия, вътрешните части на въртящото се колело може да се повредят.
- Прилагането на прекомерна сила (100 N (10,2 kgf) или повече) към електрическото задвижване на синхронизацията на клапаните може да причини неизправности. Когато извършвате обслужване, внимавайте да не повредите електрическото задвижване на синхронизацията на клапаните с други части или инструменти.
Забележка: Двигателят се сваля от автомобила заедно със скоростната кутия. Премахване/монтиране на захранващия блок (двигател с комплект скоростна кутия) се извършва отдолу на автомобила.
Премахване
1. Откачете отрицателния полюс на акумулатора.
2. Отстранете декоративния капак на двигателя.
3. Отстранете въздушния филтър с въздушния канал и възела за всмукване на въздух.
4. Развийте болтовете и гайката и разкачете конектора, показан на фигурата. Поставете електрическото окабеляване настрани.

5. Отстранете рафта на батерията с блока за електрическо управление на автомобила.
6. Отстранете предните защитни кори № 1 и № 2.
7. Свалете калника.
8. Източете охлаждащата течност.
9. Източете трансмисионното масло.
10. Свалете предните колела от колата.
11. Изключете кабела за управление на трансмисията.
12. Версии с ръчна скоростна кутия: извадете цилиндъра на съединителя, без да откачвате хидравличния маркуч от него.
13. Откачете вакуумния маркуч на усилвателя на спирачките.
14. Откачете маркуча на системата за възстановяване на горивните пари.
15. Откачете маркуча за гориво.
16. Откачете долния и горния маркуч на радиатора.
17. Откачете маркучите на нагревателя.
18. Свалете задвижващия ремък на генератора.
19. Извадете компресора на климатика, без да изключвате линиите на хладилния агент от него, и го закрепете към тялото на автомобила с тел или въже, за да го извадите от зоната на работа с двигателя.
20. Версии със задвижване на четирите колела (4WD): свалете задвижващия вал.
21. Развийте гайките, закрепващи трипътния каталитичен конвертор, и го закрепете към каросерията на автомобила с помощта на тел или въже, за да го извадите от зоната на работа с двигателя.
22. Разкачете левия задвижващ вал от страната на скоростната кутия и го преместете настрани.
23. Изключете десния задвижващ вал от страната на скоростната кутия и го преместете настрани.
24. Версии със задвижване на всички колела: отстранете десния задвижващ вал.
25. Отстранете болтовете и скобите и преместете заземителния кабел настрани.
Дясна страна
Лява страна
26. Развийте монтажните болтове и отстранете планката на скобата.
27. Развийте монтажния болт (от страната на подрамката) опорна подложка за монтаж на двигателя № 1, показана на фигурата.
Версии само с предно задвижване (2WD)
Версии със задвижване на всички колела (4WD)
28. Отстранете модула на предната подрамка с опорната подложка № 1 за монтаж на двигателя (вижте Глава 16 "Окачване").
Внимание. Когато поддържате захранващия блок, поставете гума с подходящ размер (с дебелина около 20 mm) между повдигача на двигателя и масления картер/трансмисията, за да предотвратите деформация на масления картер или повреда на трансмисията.

29. Закрепете двигателя със скоростната кутия на специален повдигач за двигател.
30. Свалете опорната скоба за монтиране на двигателя № 4.
31. Свалете монтажната опора на двигателя № 3.
32. След като повдигнете колата с асансьор, извадете захранващия агрегат изпод колата.
Внимание.
- Уверете се, че всички връзки и съединители са изключени от двигателя.
- Уверете се, че при спускане от двигателното отделение захранващият агрегат не се придържа към различни тръбопроводи, маркучи и проводници.
Монтиране
1. Работейки в обратен ред, поставете захранващия блок под двигателното отделение на превозното средство и след това спуснете превозното средство на повдигач.
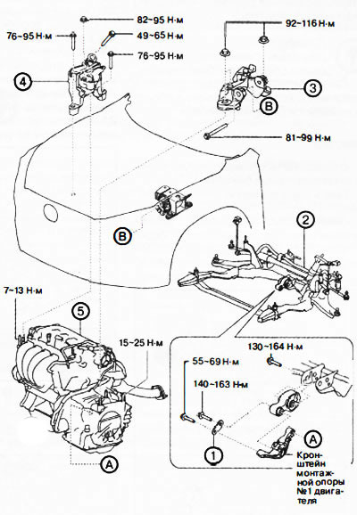
Внимание. Ако позицията на стойка № 3 на двигателя при повторно инсталиране е различна от първоначалната позиция, това ще доведе до повишен шум и вибрации на двигателя. Преди да премахнете стойка на двигателя № 3, направете маркировки за подравняване върху стойката на двигателя № 3, така че стойката да може да бъде монтирана отново в същата позиция по-късно.
2. Завийте резбовите пръти в предния капак на двигателя и ги затегнете с въртящ момент от 7-13 Nm.

3. Завийте резбовите пръти в скоростната кутия и ги затегнете с въртящ момент от 15-25 Nm.

4. С помощта на повдигач на двигателя повдигнете захранващия агрегат до необходимата височина.
5. Затегнете болтовете и гайките на монтажната опора 3:
Поставете болтовете, показани на илюстрацията, за да центрирате слотовете за монтаж на стойката на двигателя #3.
![]() | ![]() |
Приложете гайките, показани на илюстрацията, за да центрирате резбовите пръти на предния капак на двигателя спрямо монтажните процепи № 3 на стойката на двигателя.

Забележка: Ако прътите с резба не са центрирани в слотовете, ще трябва да ги центрирате, като преместите леко двигателя и след това затегнете монтажните гайки.
6. Затегнете монтажните болтове и гайки на монтажната опора на двигателя № 4:
Поставете болта, показан на фигурата.

Поставете гайките, показани на илюстрацията, за да центрирате слотовете на скобата за монтиране на двигателя.
Забележка: Ако прътите с резба не са центрирани в слотовете, ще трябва да ги центрирате, като преместите леко двигателя и след това затегнете монтажните гайки.
7. Монтирайте предната подрама с опорна подложка № 1 за монтаж на двигателя (вижте глава "Окачване").
8. Примамете следните части:
Версии само със задвижване на предните колела (2WD): монтажна скоба на двигателя #1, монтажна скоба #1 и планка на скобата.

Версии със задвижване на четирите колела (4WD): Монтажна опорна подложка № 1 и скоба.

9. Версии само с предно задвижване (2WD): затегнете опорната скоба за закрепване на двигателя № 1 и монтажните болтове на планката на скобата в последователността, показана на фигурата, до въртящ момент от 84-98 Nm.

10. Затегнете монтажните болтове и гайки № 3 на опората на двигателя в последователността, показана на фигурата.
![]() | ![]() |
11. Затегнете монтажните болтове и гайки на опорната скоба № 4 на монтажа на двигателя в последователността, показана на фигурата.
![]() | ![]() |
12. Затегнете монтажните болтове на опорната възглавница № 1 на монтажа на двигателя.
Версии само с предно задвижване (2WD)
Версии със задвижване на всички колела (4WD)
13. Напълнете подходящото трансмисионно масло в скоростната кутия (механични или автоматични).
14. Напълнете охладителната система на двигателя.
15. Проверете ъглите на подравняване на колелата на автомобила (вижте глава "Окачване").
16. Стартирайте двигателя и проверете следното:
- Течове на двигателно масло, охлаждаща течност, трансмисионно масло и гориво.
- Изтичане или закачане на шайби и задвижващи ремъци.
- Момент на запалване и обороти на празен ход.
- Функциониране на всички компоненти на двигателя.
Забележка: След като монтирате двигателя в автомобила, трябва да извършите пробно шофиране, за да се уверите, че няма необичайни шумове или вибрации.






