Оглавление: 17.4.1. Проверка тормозных колодок ⇓ 17.4.2. Снятие и установка тормозных…⇓ 17.4.3. Снятие и установка суппорта…⇓ 17.4.4. Ремонт суппорта дискового…⇓ 17.4.5. Тормозные диски ⇓
У дисковых тормозов речь идет о подобных направляющих суппортах, которые применяются на передних колесах, однако в тормозном суппорте имеется регулировочный шпиндель для выравнивания износа колодок тормоза. Кроме того, установлен игольчатый подшипник в опору для рычага ручного тормоза. Это требует применения определенных специальных инструментов.
Снятие поршня например, для замены, также требует применения опроделетктых специальных инструментов. Тормозной комплект можно снимать для ремонта только в случае, если можно получить эти инструменты.
17.4.1. Проверка тормозных колодок
Если при работе ножного тормоза в задней части автомобиля слышны посторонние шумы, то нужно проверить тормозные колодки. Толщину тормозных колодок можно проверить, не снимая их.
Задние колеса, однако, должны быть отвинчены. Цилиндр суппорта тормоза имеет смотровое отверстие (рис. 233), через которое хотя и плохо можно замерить толщину накладки тормозной колодки, однако можно установить, износилась ли она до 1,0 мм. Канавка на поверхности трения накладки должна быть хорошо видна. Толщину тормозной колодки никогда не проверять только на одной стороне, т. к. может быть, что тормозные колодки на другой стороне имеют разный износ.
Рис. 233. Толщину тормозной колодки тормоза заднего колеса можно видеть в окошке суппорта дискового тормозного механизма.
Тормозные колодки также заменяют, если разница между толщинами накладок тормозной колодки составляет больше чем 2,0 мм.
17.4.2. Снятие и установка тормозных колодок
- Поднять заднюю часть автомобиля и установить на козлы.
- Отвинтить задние колоса.
- Отпустить ручной тормоз.
- Пользуясь рис. 234, отвинтить трос ручного тормоза от крепления троса и от рычага управления. Для этого нужно использовать два гаечных ключа, чтобы освободить гайки крепления и после этого снять трос с рычага.
Рис. 234. Освобождение троса ручного тормоза от заднего суппорта тормозного механизма
- Верхний болт крепления тормозного цилиндра удалить и суппорт откинуть вниз. Обе V-o6paзныe пружины можно тут же снять.
- Снять тормозные колодки и пластины накладки с монтажной рамы суппорта тормозного механизма.
Свободные детали суппорта дискового тормозного механизма хорошо очистить и проверить, чтобы поверхность скольжения тормозных колодок не имели ржавых участков (если необходимо, очистить проволочной щеткой). Перед установкой новых тормозных колодок немного открыть болт выпуска воздуха и вывинтить поршень показанным на рис. 235 специальным инструментом. Если инструмента нет, можно в необходимых случаях помочь иначе.
Рис. 235. Отвинчивание поршня от заднего суппорта тормозного механизма. Для этого должен применяться специальный инструмент.
Шланг для удаления воздуха нужно одеть на болт, чтобы собрать вытекающую жидкость.
При установке поступать следующим образом:
- Обе тормозные колодки вставить в направляющие. Следить за тем, чтобы тормозные колодки попали в нужное место, если вновь устанавливаются прежние колодки. Пластины накладки устанавливать в соответствии с монтажным рисунком 236. Пластины содержатся в ремонтном комплекте и должны применяться. Смазать поставляемой в комплекте смазкой пластины, чтобы приклеить их к тормозным колодкам.
Рис. 236. Детали тормозной колодки заднего суппорта дискового тормозного механизма. 1. Трос ручного тормоза; 2. Тормозной шланг; 3. Цилиндр суппорта дискового тормозного механизма; 4. V-образная пружина; 5. Тормозная колодка и пластина накладки; 6. Направляющие пружины; 7. Монтажная рама суппорта; 8. Диск тормоза
- Вставить V-образные пружины.
- Вставить цилиндр суппорта дискового тормозного механизма через тормозные колодки, не повредив резиновые манжеты, пока можно будет опять вставить верхние болты.
- Болты затянуть с моментом затяжки 16—24Нм.
- Повесить конец троса ручного тормоза на рычаг, и, как показано на рис. 234, затянуть обе гайки с моментом затяжки 20—24 Нм. Между тросом ручного тормоза и рычагом управления не должно быть никакого зазора.
- Автомобиль установить на колоса и затянуть гайки на 90—120 Нм. После того как автомобиль установлен на полу, нужно несколько раз нажать на педаль тормоза, чтобы тормозные колодки одеть на тормозные пластины.
Думать о том, чтобы новые тормозные колодки вначале лишь "подтормаживались" и не имели полной нагрузки.
Внимание. Ни в коем случае не удалять тормозную пыль с помощью сжатого воздуха. Применять только влажную тряпку, чтобы удалить грязь. Тряпку после этого выбросить — асбестовая пыль.
17.4.3. Снятие и установка суппорта дискового тормозного механизма
Суппорт тормозного механизма может сниматься без отвинчивания монтажной рамы от амортизационной стойки.
- Установить заднюю часть автомобиля на козлы и отвинтить задние колеса.
- Освободить полый болт тормозного шланга на суппорте тормозного механизма и снять шланг. Подставить емкость, чтобы собрать вытекающую жидкость. Не потерять уплотнительные шайбы.
- Снять тормозные колодки, как это было описано в последней главе, и полностью снять суппорт. Для этого нужно просто стянуть цилиндр с нижнего болта опоры. Если должна сниматься монтажная рама, то оба болта — один вверху и один внизу — освобождаются. Установка цилиндра суппорта дискового тормозного механизма и монтажной рамы осуществляется в последовательности, обратной снятию, как это уже было описано при установке тормозных колодок. Если была снята монтажная рама, затянуть болты на 45—67 Нм. Тормозной шланг привинтить с новыми уплотнительными кольцами и затянуть на 25 Нм. В заключение нужно освободить тормозную установку от воздуха.
17.4.4. Ремонт суппорта дискового тормозного механизма
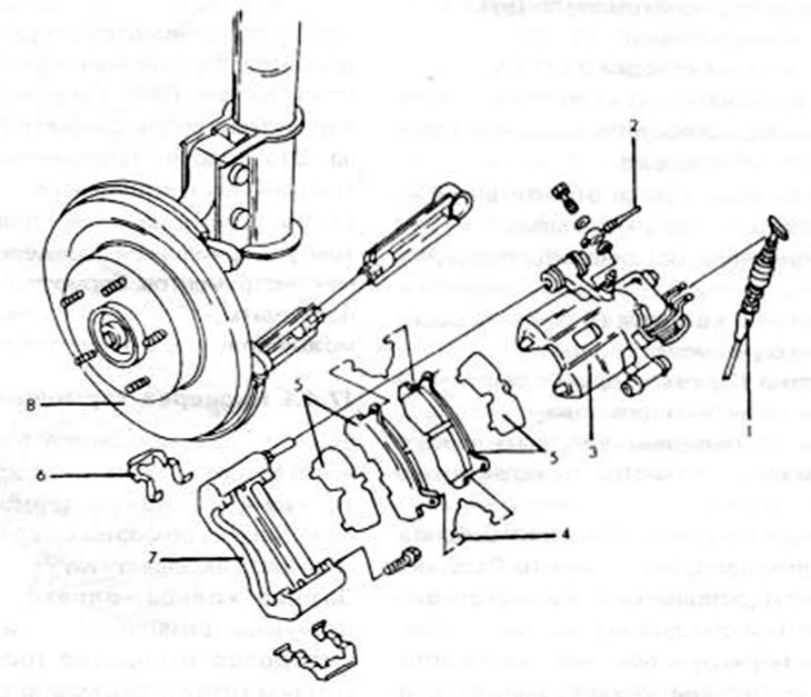
На рис. 237 показан монтажный рисунок суппорта тормозного механизма, однако нужно указать, что для вывинчивания поршня применяется показанный на рис. 236 инструмент.
Рис. 237. Монтажный рисунок нижнего суппорта дискового тормозного механизма. 1. Направляющий болт 2. Манжета; 3. Резиновая втулка; 4. Предохранительное кольцо; 5. Пылезащитное кольцо; 6. Поршень; 7. Поршневое уплотнительное кольцо; 8. Пружинное стопорное кольцо; 9. Peгулировочный шпиндель; 10. Упорная шайба; 11. "О"- образное уплотнительное кольцо; 12. Соединительное кольцо; 13. Возвратная пружина; 14. Рычаг управления; 15. Резиновая манжета; 16. Предохранительная тяга, манжета; 17. Игольчатый роликоподшипник; 18. Крепежный угольник для тормозного троса
Последующий текст описывает комплектный ремонт суппорта тормозного механизма. Могут рассматриваться не предусмотренные работы.
- Основательно очистить наружную сторону цилиндра и зажать цилиндр в тисках.
- Вынуть направляющий болт (1) и резиновую манжету (2) из сверления.
- На другой стороне суппорта тормозного механизма выдавить резиновую втулку (2).
- Вынуть из внутренней части сверления суппорта тормозного механизма предохранительное кольцо (4).
- Убрать пылезащитное кольцо (5) и поршень (6) вывинтить показанным на рис.235 специальным инструментом. В ином случае нужно насадить подобное устройство на канавку поршня и поршень выводить. Поршень навинчен на регулировочный шпиндель.
- Вынуть пружинное стопорное кольцо (8) из отверстия.
- Взять рукой регулировочный шпиндель (9) и убрать упорную шайбу (10) и "О"- уплотнительное кольцо (11). Соединительный штифт (12) можно вынуть или оставить в суппорте тормозного механизма.
- Оставшиеся детали, возможно, не нужно снимать, т. к. для вынимания игольчатого роликоподшипника (17) необходим съемник. Если нужно разбить рычаг управления (14), то возможно лучше заменить подшипник в мастерской фирмы "Мазда" или установить новый суппорт тормозного механизма.
- Если на внутренней стороне отверстия выявлены канавки, пятна ржавчины или другие повреждения, нужно заменить весь цилиндр. Легкие неровности могут быть сглажены тонкой наждачной бумагой. Уплотнительное кольцо цилиндра и пылезащитное кольцо должны быть заменены. Резиновая втулка (3) и резиновый пылезащитный колпачок (2) в цилиндре могут, если необходимо, заменяться; то же относится к направляющему болту (1).
- При сборке все внутренние детали смазать тормозной жидкостью или тормозной смазкой и после этого собрать цилиндр суппорта тормозного механизма следующим способом:
- Смазать новое уплотнительное кольцо (7) тормозной жидкостью или поставляемой в ремонтном комплекте смазкой и вставить в канавку сверления цилиндра. Хорошо вдавить пальцами в канавку. Кольцо имеет квадратное поперечное сечение и вставляется соответственно.
- Соединительный штифт вставить во внутреннюю часть цилиндра так. чтобы он попал в канавку рычага управления.
- Одеть новое "О"-уплотнительное кольцо на регулировочный шпиндель и собрать шпиндель со стопорной шайбой. Детали вставить прямо в отверстие. Оба штифта шпинделя должны попасть в соответствующие отверстия Закрепить детали с помощью пружинного стопорного кольца (8).
- Поршни вставить в отверстие и с помощью специального инструмента повернуть в отверстии направо. Поршень завинтить полностью и после этого направить вырезы в поршне таким образом, чтобы они были установлены поперек и вертикально по отношению к обеим проушинам крепления суппорта тормозного механизма.
- Смазать новое пылезащитное кольцо тормозной жидкостью и одеть на цилиндр.
- Суппорт еще раз проверить на чистоту, прежде чем он опять будет установлен.
Указание: Различные детали суппорта дискового тормозного механизма нужно смазывать поставляемой в ремонтном комплекте смазкой. Уплотнительное кольцо цилиндра смазывается красной смазкой, "О"-уплотнительное кольцо — белой и остальные детали — смазкой оранжевого цвета.
17.4.5. Тормозные диски
Тормозные диски снимаются в соответствии с указаниями в главе о замене подшипников колес, т. о. они могут сниматься до ступицы, после того как вверху отвинчивают цилиндр суппорта и внизу надавливают. Тормозные диски можно проверить следующим образом:
- Поверхности дисков проверить на налеты ржавчины. Легкие пятна ржавчины можно удалить с помощью тонкой наждачной бумаги.
- Тормозные диски замерить по толщине, чтобы ни в каком месте разнотолщинность не была больше чем 0,7 мм. Для измерений применяют микрометр, как это показано на рис.224, или штангенциркуль. Минимальная толщина диска составляет 8,0 мм. Если устанавливается что диск искривлен, его можно опять одеть на ступицу и закрепить двумя гайками колеса.
- Стрелочный индикатор установить на поворотный кулак, как это показано на рис. 225 для переднего диска, и острие иглы выставить против наружного края тормозного диска. Медленно прокрутить диск и считать показания стрелочного индикатора. Если они больше чем 0,10 мм. то можно принять, что диск искривлен или между опорной поверхностью диска и ступицей попал посторонний предмет.
