При установленном управлении четырех колес снятие и установка стабилизатора поперечной устойчивости осуществляется другим способом, т. к. между стабилизатором и коромыслом на внутренней стороне заднего колеса установлен специальный регулировочный рычаг, который крепится на стабилизаторе с помощью шарового шарнирного соединения. При снятии поступать следующим образом, пользуясь рисунком 205. Автомобиль должен быть сзади установлен на козлы.
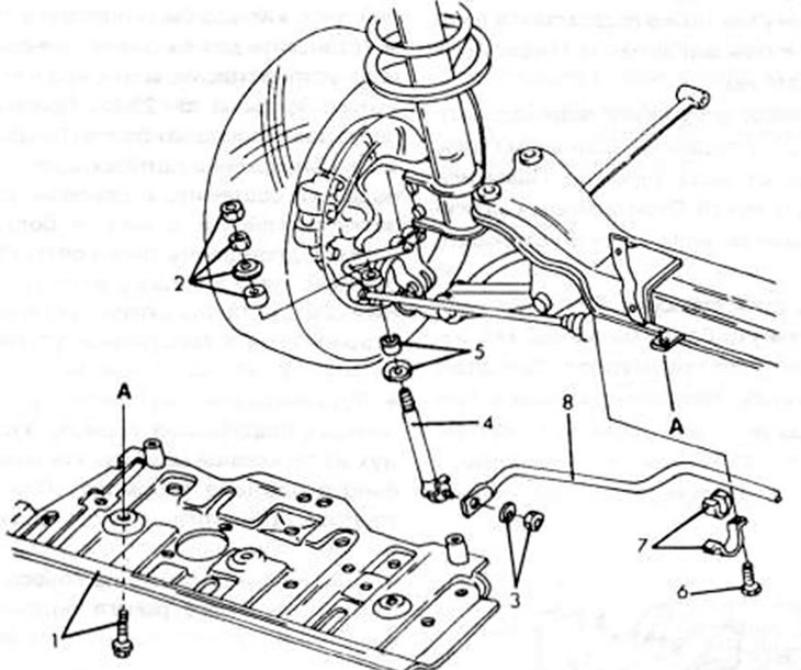
Рис.205. Детали стабилизатора поперечной устойчивости при установленном управлении четырех колес. 1. Кожух; 2. Гайки и меткие детали, 12-18 Нм; 3. Гайка, 38-47 Нм; 4. Регулировочный рычаг; 5. Втулка и металлический диск; 6. Болт, 43—55 Нм; 7. Втулка и монтажный зажим; 8. Стабилизатор поперечной устойчивости
Отвинтить защитный кожух управления задних колес и снять его.
Обе гайки (2) убрать с верхнего конца регулировочного рычага и снять металлический диск, а также резиновую втулку.
Отвинтить гайку и диск (3) с конца стабилизатора поперечной устойчтвости и выдавить из рычага болт с шаровой головкой.
[Статья опирается на данные сайта: www.MAZbook.ru]
Регулировочтый рычаг (4) вытянуть из коромысла на верхней стороне. Снять с рычага втулку и металлический диск (5).
Болты и оба монтажных зажима освободить и снять хомуты. Стабилизатор теперь можно вынуть.
Детали проверить обычным способом. Шаровой шарнир регулировочного рычага можно выбить. В этом случае заменить всю систему рычагов. При установке поступать следующим образом:
- Резиновые втулки расположить на тяге подобным образом, как показано на рис. 193, с той разницей, что плоская сторона втулки расположена вверху.
- Одеть оба монтажных зажима и закрутить рукой.
- Оба регулировочных рычага в монтажных деталях вставить снизу и затянуть первую гайку на верхнем конце, пока конец резьбы не будет выступать на 13,0 мм. Этот размер, подобно тому, как показано на рис. 194, проверить с помощью измерительной линейки. В этом расположении гаек вторую гайку законтрить, чтобы другая не могла провернуться. Момент затяжки составляет 12—18 Нм.
- Автомобиль опустить на землю и болты обоих монтажных зажимов затянуть на 43—54 Нм.
